Modern design of a water closet or what is an installation
Modern finishing materials and design discoveries dictate new rules for renovation every day. The bathroom has also been innovated. A new word in toilet design - a wall-hung toilet. What is an installation for a toilet, how to choose and install it correctly, how to arrange and repair it later - in our material.
The content of the article
- 1 Installation for a toilet: what is it and what is it for
- 2 Pros and cons of toilet installations: is it worth the effort?
- 3 What is the significance of the size of the toilet for installation
- 4 Hanging toilets with installation: which is better to choose?
- 5 Arguments for skeptics
- 6 Rating and prices: manufacturers of toilet installations
- 6.1 Toilet installation GEBERIT Duofix Delta
- 6.2 Characteristics and feedback on the installation Wisa XS WC Front Basic
- 6.3 The most important thing about the Cersanit Slim & Silent WC installation P-IN-MZ-SLIM
- 6.4 Wall hung toilet Grohe with installation - especially robust
- 6.5 Installations Mepa: reviews and cost
- 6.6 Installation features Villeroy & Boch
- 7 Professional recommendations: how to install a wall-hung toilet with installation
- 8 Possible installation difficulties
- 9 Results and video installation installation instructions
Installation for a toilet: what is it and what is it for
Pay attention to modern toilet interiors: in most cases you will find that the toilets and bidets are not fixed to the floor, but to the wall, just like shells... The whole structure looks weightless, the floors are free for sanitary cleaning. The set includes the installation and the toilet bowl, all pipes are hidden in a false box, there is also a suspended one. toilet cistern. Access to hidden plumbing is limited by the control of the drain buttons.
Advice! When choosing plumbing fixtures for installing a wall-hung toilet bowl with installation, trust so much quality products from well-known brands. After installation and finishing work, access to it will be closed, so it is better to be sure that this equipment will not let you down.
Installations are divided into two types:
- block;

Installation is performed on a load-bearing wall. It is important that it is strong enough to withstand increased stress.
- frame;

It has an independent powerful frame that is attached to the floor. Can be installed in plasterboard partitions or niches
Combined version - floor-standing toilet with cistern installation. This installation is practiced in the houses of the old foundation, where the exit of the sewer pipes cannot be redone. Corner installations for a wall-hung toilet are very convenient. This arrangement significantly saves space. small bathroom.
Pros and cons of toilet installations: is it worth the effort?
Installing an installation is not an easy task, and before deciding which toilet to buy, you should weigh the pros and cons of such a design. How can you determine which toilets are the most reliable? The most proven method is to read reviews. Hanging toilets with installation are gaining popularity with developers and their unbiased opinion can be very helpful. So, the pros and cons that are noted by users:
| pros | Description |
|---|---|
| Aesthetic appearance of the structure | All communication pipes are hidden in a false box, wall or partition cavity |
| Save space | Conventional toilets take up much more space and are installed indented from the wall. The suspended structure is only 30 centimeters wide. |
| Floor decoration and cleaning | You don't have to cut the tiles and lay them in pieces around the toilet. It is very convenient to clean the floor. |
| Ease of flushing | Design features make the flush more intense. Such devices are usually equipped with double buttons, this saves water. |
| Installation variability | The installation can be installed almost anywhere, so that the most daring design project can be applied. |
| Strength | The most important concern, how reliable the structure is, can be easily dispelled if you look at the technical characteristics of the suspended structure. They are capable of withstanding loads of up to 400 kilograms! |
| Minuses | Description |
|---|---|
| Price | The difference in cost with a conventional toilet is almost four times. Think how justified the purchase of such an expensive design is. |
| Difficulties in repair | When deciding how to choose a wall-hung toilet, give preference to European brands. It is better to buy an expensive product than to spend endlessly on the repair of Chinese counterparts. |
| Difficulties in installation and replacement | A regular toilet can be put on your own hands in a couple of hours. It will take more time and special tools to install the installation. And the replacement of the structure will require a major overhaul of the entire premises. |
So, which is better: an installation or a regular toilet? It's up to you to decide, but the popularity of such installations is growing every day, which means that in practice more and more people choose this type of installation.
What is the significance of the size of the toilet for installation
Modern manufacturers offer a wide range of models in different shapes and colors. But with the dimensions of a hanging toilet, everything is simpler - they usually have standard indicators of 37x48x38 centimeters. There are deviations from these dimensions - the dimensions of a toilet bowl with an installation for people with a large weight can be ten centimeters larger. Accordingly, the installations for such devices will require special ones. They have to withstand significant loads.
What differences can be found:
- angular shape drain tank. This design allows the most economical use of space. The tank is mounted on the wall;
- the cistern is mounted separately from the toilet on a stand. It is installed on a structure built into the wall. The size of the wall-hung toilet depends on the size of the cistern;
- compact models, in this case the length of the toilet bowl with the installation does not exceed 68 centimeters.
Thus, the size of the installation toilets is not a hindrance. A suitable support base can be selected for compact designs or for large specialized devices.
Hanging toilets with installation: which is better to choose?
The choice of a toilet bowl for installation should be approached with all responsibility. It is important that the fasteners of the structure are reliable, designed for the entire largest member of the family. All components of the tank must fit perfectly and work without failures. Let's take a look at three types of the best toilet installations:
How to choose installations for a wall-hung toilet? What should you pay attention to? First of all, determine if the room has a solid load-bearing wall. If partitions consist of wood and slabs, or laid out in one brick, constructions with fasteners on the wall are not suitable.
Advice! It is best to use anchor bolts for mounting the installation. The best hanging toilet bowls come with wall plugs and bolts. But in this case, it is better to play it safe and buy reliable fasteners.
The installation type undoubtedly influences the choice of wall-hung toilet bowls. The easiest way is to fix the device to the floor, but the floor must also have a good load-bearing capacity. Pay attention to how the structure is fixed. It shouldn't be loose. Please note that in the process of use, even a slight backlash can turn into a serious problem, which will result in the repair of the sewer system.
So, is it possible to unequivocally answer the question which installation is better for the toilet? The best one that suits the conditions of your apartment or house. Block - if there is a sufficiently strong frame wall - if the floors in the room allow you to firmly fix the device. Corner - if the bathroom is small.
Arguments for skeptics
There are always people who insist on using traditional methods, including in terms of installing plumbing. They will give you a lot of arguments to dissuade you from using the latest technology. Here are the main ones:
- The structure may not be able to withstand increased stress. The opinion of experts: the ceramic bowl of the toilet can withstand 400 kilograms of weight, and this is not the ultimate strength. The steel frame firmly fixes all the components of the device.
- If you need minor repairs to plumbing, you will have to overhaul the bathroom, since it is necessary to destroy the false box. Expert opinion: a removable panel is installed in the decorative wall for free access to the tank and the tap that turns off the water. For repairs, it is enough to turn off the water and replace the necessary parts. Give preference to well-known brands of plumbing, and such a procedure may not be necessary at all.
- The installation takes up a lot of space.The opinion of specialists: a standard toilet requires much more space, since it is necessary to step back from the wall and make a joint with the sewer pipe. The suspended structure is mounted directly on the wall.
- Hanging toilets are still a rarity and it is difficult to find the necessary spare parts in the event of a breakdown. Expert opinion: the main parts of suspended structures are standard and interchangeable. If you do not find a spare part of this particular company, it is not difficult to find an analogue.
- Hanging toilets look too much…. There is no answer to this argument. Yes, they really look too modern and neat. There is nothing you can do about it.
Related article:
How to quickly solve the problem if the toilet is clogged. How to clean the drain yourself, detailed in this article. In addition to various instructions and methods, data on effective preventive measures are provided here.
Rating and prices: manufacturers of toilet installations
So, the choice in favor of suspended plumbing has been made. The question arises: which company is better to choose a hanging toilet? Are there manufacturers with a high reputation and time-tested product quality?
Advice! When choosing a device, pay attention to the metal from which the installation is made. It should not bend even with considerable effort.
Manufacturing defects are mainly affected by Chinese models. Such designs are not reliable. Considering the considerable cost of the devices, it is better to refuse to purchase such a product. By saving a couple of thousand, you risk getting an impressive repair bill in the future.
For complete confidence in the quality of products, you will need a European toilet installation. The rating of manufacturers of such products looks like this:
1st place - Geberit plumbing
The Swiss manufacturer is the market leader in sanitary ware. More than half of the embedded devices sold in Europe are from Geberit. The range of the company includes not only installations for toilets, bidets and sinks. Devices for non-contact draining and sensor faucets are very popular. Installation models differ in a variety of shapes and colors. All metal parts of the installations are coated with an anti-corrosion compound. The drain valves are virtually silent. Plumbing is protected from leaks by a special design.
The manufacturer gives a 10-year warranty for the products. There are many service centers in Russia that service this plumbing and offer any spare parts.
2nd place - products from Ideal Standart
The sanitary ware of this company is made in Germany. Users note the excellent quality of products and a democratic approach to pricing. The company's designers offer non-standard solutions for discerning buyers. The models of this manufacturer are especially in demand for small bathrooms, since they have small dimensions in comparison with the products of other companies.
3rd place - Grohe
The models of the German company are distinguished by modern design and ease of installation. They are very technical - there are adjustments in installations to select the optimal height. Probably for this reason installations are one of the most expensive.
4th place - Tece products
Very reliable German Tece installations are protected against corrosion by a special coating... Some parts are made of wear-resistant plastic. All this comes together in an attractive product design.
5th place - Gersanit
Polish sanitary ware has an attractive price and decent quality. The company offers installations complete with ceramics, such kits are cheaper for the buyer than purchasing parts separately.
6th place - Alkaplast installations
The Czech manufacturer offers installations for any plumbing. The products have European quality, but the cost is quite affordable for an ordinary buyer. All designs have customization options so that the location of the sink, toilet or bidet can be adjusted to the owner's height.
7th place - Roca
Not the most popular Spanish brand has earned the respect of buyers for its excellent quality. While the start-up company has low prices for products, this circumstance should be used.
8th place - bright Vitra
The products of this company are manufactured in Turkey. The company offers sets of installations, a toilet bowl and a microlift. Vitra products are distinguished by their striking design and affordable prices.
And now more about the best products of the listed manufacturers.
Toilet installation GEBERIT Duofix Delta
Installation Geberit with a toilet bowl is the optimal solution for people weighing up to 150 kilograms.
Characteristics and feedback on the installation Wisa XS WC Front Basic
The installation for the Wisa toilet is made in the Netherlands. In the reviews, users note the high quality of the product and the flawless assembly.
The most important thing about the Cersanit Slim & Silent WC installation P-IN-MZ-SLIM
Installations Cersanit Delphi can be mounted directly in front of a wall or partition. The model has a silent tank filling system. Cersanit installations received many compliments in the reviews for their graceful size and easy installation.
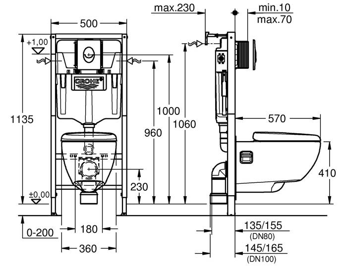
Wall hung toilet Grohe with installation - especially robust
If you are looking for a solid and versatile construction, you need a Groe installation. User reviews note the economical use of water and great opportunities for connecting to engineering systems.
Installations Mepa: reviews and cost
Frame The measure is not painted over - this is the company's business card. All products of this company comply with European standards.
Installation features Villeroy & Boch
The frame structure is powder coated. The functions of the buttons can be transferred to the tap-off section.
Related article:
How to choose wall-hung toilet bowls with installation. In our review, we will consider the types of installation systems, their pros and cons, how to properly carry out the installation of the structure, useful advice from specialists.
Professional recommendations: how to install a wall-hung toilet with installation
First of all, you need to choose the right place for installing the toilet. It must be far enough away from front door and is oriented towards existing risers. There are several non-standard solutions:
- you can install the toilet under the window, this will require a low installation 80 centimeters high;
- in some cases, double-sided installation is used - on one side a toilet bowl, on the other - a sink;
- in small rooms, the toilet can be placed in the corner.
After you determine the place for installation, you need to correctly markup. The central axis of the structure is drawn on the wall, then the general contours of the attachment points are marked.
Advice! Don't reinvent the wheel! Before installing the toilet installation, carefully read the instructions. It usually contains a clear installation diagram with all the necessary dimensions.
There are standard guidelines for installing an installation system for a wall hung toilet:
- height from frame to floor - 43 cm;
- height from the floor to the location of the drain button - 100 cm;
- distance from the wall to the front of the frame - 15 cm;
- the gap between the tank and the wall is at least 2 cm.
To work, you need the following tools:
- Marker for marking.
- Roulette and level.
- Drill with a perforator.
- Keys set.
- Sealant.
Installation sequence
| Stage | Description |
|---|---|
| Fixing the frame | Holes for dowels are drilled in the marked places. The installation is fastened to the wall in 4 places with anchor bolts. |
| Installation of metal structures | The bottom is consistently fixed, then the top. During installation, you can change the height of the structure. The correct setting is controlled by the level. |
| Securing the frame | At this stage, it is necessary to check the strength and reliability of the fastening. The device should not wobble or bend. |
How to connect the installation to water supply and sewerage
To make the connection, you will need plastic clamps. It is preferable to use copper or polypropylene pipes as adapters. All joints must be filled with sealant. Before installing the false box, it is necessary to pre-start the system and make sure that there are no leaks anywhere.
Finishing
Before installing the toilet, it is necessary to cover it with a decorative panel. The frame can be hidden behind a structure made of drywall... For this purpose, it is preferable to use a material with protection against moisture. The frame for the false box is made of metal profile... Drywall fix self-tapping screws... After installation, the box can be finished with tiles, plastic decorative panels or simply plaster and paint with moisture resistant acrylic paints.
Advice! If ceramic tiles are used for finishing, installation begins from the location of the drain button.
Finishing options:
Toilet installation
The toilet is installed last. A few tips for installation:
- the porcelain and the steel frame must be separated by a cork backing. If not, use a silicone sealant;
- Do not tighten the fasteners forcibly, as this may crack the bowl. Do not forget about rubber pads when installing bolts;
- the drain button is installed after the toilet is installed.
This simple algorithm is suitable for mounting any model.
Possible installation difficulties
| Problem | Elimination method |
|---|---|
| System leaks | It is necessary to check all joints for tightness. All doubtful places are sealed with a sealant. |
| The tank is leaking | Most likely, the gaskets have shifted. To correct the situation, it is necessary to drain the water from the tank and fix all the gaskets. |
| Stagnant water in the toilet | Adjust the slope of the drain, it should be at least 45 degrees. |
| Backlash in construction | It is necessary to tighten the fastening bolts. |
Note! If you are concerned about how much weight a wall-hung toilet can withstand, check the installation specifications before purchasing. Manufacturers indicate the maximum permissible load in the passport.
Results and video installation installation instructions
Wall hung toilet - a modern touch in bathroom design... This design is no less durable and reliable than its classic counterparts. The convenience of installations is that the toilet bowl can be installed almost anywhere, even in the middle of the bathroom. In addition, the height of the bowl can be easily adjusted to the height of the owner. Installations can be selected for the physical characteristics of a person - they are convenient for people with heavy weight, the elderly and the disabled.
Recommendations from professionals for installing installations in the following video clip:























































