Pass-through switch: wiring diagram for 2 points at locations remote from each other
A pass-through switch is used to control lighting from different locations. The 2-point connection diagram is the most common at home, so it will be considered. Versions with manipulation from several places at once are more suitable for commercial and industrial premises.
The content of the article
- 1 Two main types
- 2 Home use
- 3 Getting to know how it works
- 4 Pass-through switch: wiring diagram for 2 points of devices with a different number of keys
- 5 Prices for products of major manufacturers
- 6 Making a pass-through switch from a conventional analog
- 7 Summarizing
- 8 Video: wiring diagram for two-place switches
Two main types
Taking the principle of operation as a basis, electrical switches of the pass-through type could be called switches. In appearance, they are difficult to distinguish from ordinary counterparts, because the differences lie in the contact system. They are usually classified according to the method of management.
Keyboards
Switches with keys are more familiar, as they are easy to connect and operate. They consist of stationary contacts fixed in the body and a movable mechanism, which is pressed by a spring. The number of keys usually varies within 1-3 pieces.
Sensory analogs
Such switches are easy to use. They have a stylish design that makes them look elegant in modern interiors. If necessary, they can be controlled remotely. If there is a power outage, the devices go into off mode.
Home use
A walk-through switch can be very useful for controlling lighting devices in everyday life. A 2-point connection diagram will reduce the number of movements in some rooms. Most often, devices are installed in bedrooms, corridors and on stairs.

When you enter the house, you turn on the light with switch 1 and, going up to the second floor, turn off the light with switch 2
The main operating options are presented below.
- IN bedroom one can be installed next to the door and the other near the bed. Thus, when entering the room, you can turn on the light for preparing for bed and turn it off without going back.
- The devices are mounted on different floors next to the stairs. For example, when approaching it, you can turn on the light, and after lifting, turn it off.
- In the corridor, fixtures are usually installed at the beginning and end.
Note! The most important criterion when choosing the presented switch can be considered the number of keys. It must necessarily correlate with the number of groups of lighting fixtures turned on at the same time.
Getting to know how it works
Before connecting a pass-through switch with a wiring diagram of any type, it is necessary to understand the principle of its operation. Each device has three contacts, one of which switches from one circuit to another. The principle of operation is based on changeover contacts.
When the position of the switch is changed, the electric current is redirected to a specific terminal. Only one of the existing circuits remains closed. The lighting device starts working when both toggle switches are in the same positions.
Pass-through switch: wiring diagram for 2 points of devices with a different number of keys
The most popular scheme for connecting a pass-through switch from two places, but it can be carried out for devices with a different number of keys. They all have a different number of contacts, so some difficulties may arise when connecting wires.
Wiring diagram of a pass-through switch with 2 places in the presence of one key
One lighting group can be controlled from two locations using one-button switches. They are connected in a fairly simple scheme, which should be considered as a tutorial for a deeper understanding of how they work.
From the central supply line, the phase is connected to the incoming contact of one of the operating switches. The output terminals of the two switches are connected to each other. The second contact of the device is connected to the lighting device, taking into account the given diagram.
The process of connecting two-key devices for two main points
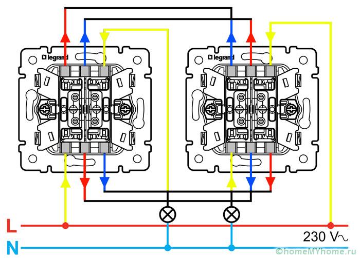
More complex is the circuit with the connection of a two-key pass-through switch directly from two places. This option makes it possible to control two lighting groups at once. Devices with two keys are capable of working in two main directions.
Two-key blocks are mounted in certain places directly in the installation boxes. All lighting groups are located in the required zones. A three-core cable is connected to the light sources (N - zero, L - phase and grounding).
Installation, if desired, can be performed using four single switches, but in this case rationality will be absent. Installation of two-key analogs is more profitable, since the cable is saved together with the junction boxes.
The presented circuit of the pass-through switch from two places opens up much more functionality than the one mentioned above.
Prices for products of major manufacturers
The cost of production may vary depending on the number of keys, control method and manufacturer's reputation. The table shows the average prices for two-key analogs.
Table 1 . Average cost of switches
Livolo products can be distinguished from touch switches. The front side of the devices is usually made of tempered glass, resistant to mechanical stress. The surface is capable of withstanding at least 100 thousand on and off cycles.
LED illumination makes it easy to find the device in total darkness. When touched with wet hands, negative consequences do not occur, since the products are moisture resistant. The price of such devices ranges from 1,500-3,000 rubles.
There is a possibility of remote control of the device via a special radio channel. Thus, you can turn on and off the lighting from different rooms that are in the range of the remote control. This control option is more convenient than with an IR system operating in the line of sight.
Making a pass-through switch from a conventional analog
If necessary, it is quite possible to convert a conventional switch into a pass-through analog on your own, because outwardly they do not differ from each other. Differences begin only when looking at the internal parts.
Redoing involves adding a contact to a conventional switch, that is, instead of two terminals, you should get three. To do this, you need to take two simple devices: one-key and two-key. They must be from the same manufacturer. In a two-key device, the outputs simply change.
Summarizing
To increase the comfort of living, you can purchase or make your own pass-through switch with a 2-point connection diagram. Accessing certain categories of lighting fixtures will help simplify your daily activities. The choice of a specific connection option will depend on the number of sources.
Video: wiring diagram for two-place switches







































