DIY garden bench with a back: drawings, photos and technology secrets
To make your personal plot comfortable to use and beautiful, you need to use landscape design elements such as flower beds, paths, gazebos and awnings... Garden furniture is especially important. It is she who is the guarantee of your convenience.In our review, we will find out how a do-it-yourself garden bench with a back is designed. Drawings and detailed photos will allow you to make the best design.
The content of the article
- 1 Features of garden benches: photos of different types and designs
- 2 How to make garden benches and benches with your own hands: popular technologies and ideas
- 3 Drawings of benches for a summer residence with your own hands: photos and diagrams
- 3.1 Do-it-yourself garden bench with backrest drawings: double designs
- 3.2 Do-it-yourself bench for a summer house made of wood: how to do it step by step
- 3.3 Garden bench with your own hands from scrap materials: from pallets
- 3.4 Drawings of a garden bench with a back made of wood with your own hands: a transformer option
- 4 Interesting ideas for garden benches with your own hands: successful homemade products, photos
Features of garden benches: photos of different types and designs
Before making a bench for a summer residence with your own hands, let's figure out what types of this design exist. The classification can be based on factors such as material, functionality and performance.
Benches can be seating-only furniture or multi-functional. For example, used as a rocking chair or table.Original benches - swings are also popular. Designs with backs that are stationary are in demand. They are made of brick or concrete. There are also folding benches.
For the manufacture of products, the following materials are most often used:
- plastic options are lightweight, and are also endowed with resistance to all kinds of climatic changes;
- wood a great solution for any suburban area. This is a traditional option that has many benefits;
- metal can be used in two configurations, from profile lines or as a forged structure;
- the most durable material is a rock... For the bench, you can take two boulders, and also use purchased material.
You can even make a product out of concrete. There are also combined options for garden benches with a backrest with your own hands. Drawings will help you build a structure from any material. You can combine a metal frame with timber strips. You can also combine stone and wood.
The benches can have different designs:
- a simple option is a bench without a back;
- you can build a bench with a back with your own hands;
- a bench with a table is suitable as an option for the garden;
- a canopy bench is used as a miniature gazebo.
When creating designs in an artistic style, special attention is paid to appearance. All kinds of shapes can be used instead of side parts.
When creating drawings, it is important to take into account the general appearance of the product, as well as all the dimensions of the structure. Furniture made of wood, wrought iron or stone will perfectly fit into a garden created in a classic style. And plastic products are suitable for modern landscaping.It matters where you place the bench. You can place it near the porch, and also place it in the back of the garden under a beautiful tree.
Note! The wood bench can be used comfortably at any time of the year, since the level of thermal conductivity is lower than that of stone and metal.
Original benches for summer cottages made of metal and wood
You can try making a metal or wooden bench with a backrest yourself. Metal products are known for their special durability. However, they do not require constant attention. They can be coated with a special anti-corrosion compound only once a year.Modern designs using forged elements are performed using a welding machine.
Benches with a beautiful design are made from wood. Such products are suitable for almost any landscape design. To protect such structures, special varnishing compositions can be used.
This will protect the wooden surface from the development of mold, mildew, and sunlight. It is rare that anyone uses completely metal products, since they cool down a lot in the cold season and heat up in the heat. Most often, load-bearing elements and legs are made from this material, and the back and seat are made of wood.
Rectangles are made of a profile pipe, and then jumpers are welded to the side walls for support. You can build a more functional structure with armrests, soft cushions and a backrest.
Bend the pipes to create smoother lines. This will create furniture with rounded edges.Plank benches are popular. The design can be made in the form of a sofa, and put pillows on top.
You can also build a simple do-it-yourself bench from wood. In this case, the legs can be in the shape of the letter X. From the boards, you can make a bench in the shape of the letter P. In this case, it is necessary to ensure rigid fixation of the seat and legs.
Note! The use of special coating compositions will allow to preserve the natural pattern of such materials for a long time.
Photo of do-it-yourself stone benches
A do-it-yourself garden bench with a back can be made of stone. This material is distinguished by high performance properties, as well as significant strength. Stone structures can be used for any garden style and design. The use of stone elements to complement the overall design. Such furniture looks good against the background of a building with separate stone details.A stone bench will make a wonderful combination with stone beds, steps, ponds and paths. These benches are often combined with wood.
Note! Often marble is used for the construction of such benches. Sometimes quartzite and even coarse granite are used.
DIY photo of garden benches: how to make from scrap materials
Plastic products are also endowed with certain advantages. Here they are:
- low weight of the structure, which ensures its lightness;
- affordable price;
- a wide variety of colors;
- practicality.
You can use all sorts of combined combinations that will differ or be combined in texture, color palette and materials. A good solution is a combination of stone and wood details.
Try to make original combined designs. This can be a sandbox bench for children, as well as a flower bed bench.
Note! Unusual designs can be made from old pieces of furniture. For example, from the old chairs.
How to make garden benches and benches with your own hands: popular technologies and ideas
To make a do-it-yourself bench with a wooden back, you first need to understand its design. A simple device implies a sitting place on some kind of support. But there are also products that have a non-standard configuration, designs with forged or carved parts, as well as furniture with armrests.
A simple solution is to use two drawers and a couple of boards. In this case, the boxes will be installed as supporting elements. They can be filled with soil and make a beautiful flower bed in them. A seat is mounted from the boards, which is installed between the boxes. Be sure to sand the surface with sandpaper. For a more practical design, the boxes can be replaced with stone or concrete pedestals. Seats can be constructed from log halves or treated boards. You need to fix the seat with metal corners. Dowels are used to attach them to concrete bases. And fixation to the tree can be done using self-tapping screws and through bolts.
Helpful information! Vases with decorative shrubs and bonsai can be used as supports.
Bench with storage box
You can build a convenient structure with storage boxes. In this case, it is worth using old furniture. Before work, you need to choose the right screws. Their thickness should correspond to the thickness of the wooden elements.
A bench with a drawer is a wonderful solution for a loggia and a balcony. In this case, you can use the old balcony. The drawer design consists of two walls, a seat and sides. It is also recommended to make the bottom of the box. Metal corners must be used as fasteners.The structure can be varnished. And in order to make it comfortable to sit, additionally place soft pillows.
Features of a garden bench made of wood with your own hands
It is not difficult to make a bench made of wood with armrests. To do this, you will need special bars for supports, boards for the back and seats, glue, a saw, dowels, and a milling machine.First, a drawing of a wooden bench with a back is made. Then the patterns are cut out according to the schemes. Contours are placed on all blanks, and why parts are cut with a saw. Slices must be sanded. Holes are made in the backrests. First you need to fill them with glue, and then insert the dowels into the support bar. The planks are fixed with dowels. Then the bench is covered with a special varnish.
Secrets of designing a country bench with your own hands from a log
A practical solution is a log garden bench. For sitting, the tree trunk is sawn into two parts. The backrest can be constructed from a trunk that is thinner than the seat element. Legs can be constructed from the remains of a log. The connections are made with metal pins. Here's how it's done:
- holes are made in the details for the pins;
- the pin is hammered into the middle of the length;
- the second part is located on top of the free edge and is also hammered.
The fasteners are installed with a hammer. The pins are designed to be firmly connected to enhance retention. The surface of the structure must be sanded.
How to make do-it-yourself garden benches with a back in the ethno style
A rustic and ethno-style bench will perfectly fit into the decor of the yard. With its help, you can create a magnificent natural corner. To build such structures, wood is used with or without bark. A variety of curved shapes can be used in the manufacture of benches. Before design, all parts must be sanded and processed.An unedged board is used to create the seat. All construction details are rounded.
Ethno-style benches go well with wicker hedges. In this case, you can build a back in the form of weaving. The branches should fit tightly. But the gaps between them need to be left. Materials such as stone, wood, bamboo or even rattan are suitable for creating furniture in the ethno style.
Some popular design options are:
- for the Moroccan style, you can use threaded parts;
- for landscape design in the Chinese style, bamboo benches are suitable;
- small furniture is used in Japanese style;
- British-style furniture involves the use of solid wood species, as well as intricate patterns.
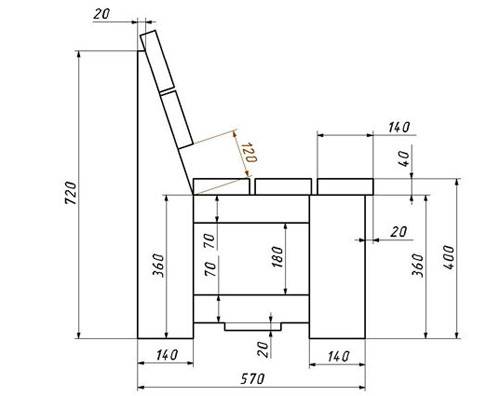
Drawings of benches for a summer residence with your own hands: photos and diagrams
When performing the bench, individual needs are taken into account, as well as certain parameters. To create a high-quality structure, you need a drawing with all dimensions.An important point is the calculation of the amount of materials, which will depend on the final parameters of the structure. The profiled bar is especially convenient. You can use a special cutter to round off the edges.
Do-it-yourself garden bench with backrest drawings: double designs
Benches can have different capacities. Most often they are designed for 2-4 people. For a double construction, you will need bars and boards. It will take no more than one day to build such a product.Before cutting, you need to find the correct drawings.
Do-it-yourself bench for a summer house made of wood: how to do it step by step
First of all, the seating boards are being prepared. In this case, the material is cut and processed. A grinder or milling cutter will help in this matter. You can use sandpaper, but it will take much longer. With the help of the bars, you can build strong legs. The areas where the fasteners will be placed should be noted.
Metal pins are used as fasteners. For greater strength, you can use a special glue. The pins are also used to secure the backrest. After completing the markup, you need to measure the distance from the edge.
The assembly goes like this:
- the bars are placed on top of each other;
- all parts are fastened with clamps;
- holes are made in the center and along the edges;
- through the holes made, the parts are fixed with pins.
How to make a simple design look at the video:
Then the seat boards are attached to the legs with nails. After that, the heads of the nails can be masked with a mixture of mastic and sawdust. Be sure to cover the surface with paint or varnish.
Garden bench with your own hands from scrap materials: from pallets
You can make a do-it-yourself pallet bench. You can see photos of interesting options on our website. Such furniture can be placed not only in the garden, but also in the country house or on the veranda. For installation work, you need three pallets.
This is how the assembly takes place:
- the pallet is divided into two halves. These halves will be used for the backrest;
- two pallets are connected together with nails;
- then the back is attached to them;
- a mattress of suitable dimensions is placed on top.
Note! Soft objects can be secured with straps.
Video: how to make a simple pallet bench
Drawings of a garden bench with a back made of wood with your own hands: a transformer option
The transforming structure is independently constructed. To do this, you need boards and bars.
DIY technology for making a transformer bench
You can build a structure by performing the following steps:
- 3 boards are attached to the supporting part, of which the seat will be made. You need to insert 4 self-tapping screws into each board;
- when assembling units, it is necessary to apply wood glue to these areas;
- the legs for the back support must be sawn down from the end side. Then the legs must be connected in pairs;
- then you need to make a back, which, when transformed, will transform into a tabletop.
- boards are attached so that there is a gap;
- 3 holes with a diameter of 0.8 cm must be made in the support board.
Here is a handy transformer design:
To create the axes of rotation, you need to make two holes on the back leg. The backrest is fastened to the base with bolts.
Related article:
Do-it-yourself garden swing made of metal. There are many options for ready-made devices on sale, but it is much more fun to make them yourself. Drawings, dimensions and photos of various designs described in the article will help you cope with this task.
Interesting ideas for garden benches with your own hands: successful homemade products, photos
Don't limit yourself to simple designs. You can also use non-standard solutions. Check out the video below for some ideas:
You can create original products with parts such as log trimmings, decorative wrought iron and pallets. A wide variety of materials can be used to create beautiful benches.
Wood should be used by beginners, as this material is easy to process. You can make simple structures from thick branches, a log of wood or unedged boards.To obtain an aesthetic surface, it must be treated with high-quality varnish and stain. Beautiful benches are made of steel strips. The armrests can be folded easily.
Using simple guidelines, you can find a suitable option for your garden. Pay special attention to the materials of manufacture and unusual designs. You can apply drawings and technologies from the Internet or develop your own products. We hope that the information in our review will be useful to you.


























































