Ние отглеждаме пилета у дома: какъв трябва да бъде правилният инкубатор, построен от собствените ни ръце
Ако отглеждате домашни птици, тогава знаете колко трудно е да получите потомство от тях. Гъски, патици или кокошки са същества с деликатна нервна система; те могат да откажат да се инкубират дълго време или да изоставят съединителя по различни причини. За гарантирано потомство във фермата е необходим инкубатор. Не е трудно да направите такова устройство със собствените си ръце у дома. Днес, в този преглед, редакцията на homebase.techinfus.com ще ви разкаже основните принципи на инкубатора, дизайнерските характеристики и ще даде препоръки за сглобяване на домашни устройства от импровизиран материал.
Съдържанието на статията
- 1 Как работи инкубаторът за яйца: принцип на действие и устройство
- 2 Как да си направим инкубатор у дома: изучаваме важни нюанси
- 3 Направи си сам инкубатор у дома: температурни условия за домашни птици от различни породи
- 4 Как да си направим инкубатор „направи си сам“ от хладилника: прости инструкции
- 5 Нюансите на направата на инкубатор от пяна за домашна употреба
- 6 DIY инкубатор от шперплат за яйца: видео инструкция
- 7 Няколко съвета как да използвате домашен инкубатор
- 8 Проблем с цената: купете или си направете автоматичен инкубатор за яйца
Как работи инкубаторът за яйца: принцип на действие и устройство
За да се излюпи пиле от пилешко яйце, трябва да се създадат специални условия:
- температура - 37,5 ° С;
- влажност - в диапазона 60-65%;
- редовна промяна в позицията на яйцата;
- висококачествена вентилация.
Инкубаторът може да има една или две камери. Еднокамерните конструкции могат да "инкубират" много яйца, но е по-трудно да се поддържа правилният температурен режим в тях. В двукамерните устройства устройството за вода и отопление са разположени отделно от тавата за яйца.Овлажненият и нагрят въздух се вдухва с вентилатор. Фабричните модели имат сензори за контрол на температурата и влажността, система за автоматично обръщане на яйца. Електронната система за настройка ви позволява да изберете различни режими за отглеждане на пилета, гъски, патици, пуйки или пъдпъдъци.
Как да си направим инкубатор у дома: изучаваме важни нюанси
Фабрично изработените модели са без съмнение удобни и практични устройства, но не всеки може да си позволи такова скъпо удоволствие. Направата на обикновен инкубатор за пъдпъдъци или пилета със собствените си ръце не е толкова трудна. Основните му компоненти са: тяло, отоплителна и вентилационна система, превратно устройство. Нека разгледаме основните изисквания към тях.
Изисквания към заграждението на инкубатора
Най-важното е тялото на конструкцията да поддържа температурния режим, необходим за излюпване на пилета. Вторият съществен момент е лекотата на поддръжка. От време на време трябва да отворите устройството, да проверите работата на нагревателните елементи, да проветрите зидарията.

Хоризонтално разположеното тяло е много удобно в това отношение: капакът се отваря нагоре, освобождавайки достъп до всички части на конструкцията
И последното изискване към тялото е подходящите размери. Яйцата не трябва да лежат плътно, разстоянието между тях не трябва да е по-малко от сантиметър. Това разположение на зидарията осигурява добра вентилация и равномерно нагряване.
Как да затопляте зидарията и да контролирате температурата
Само оптималната температура гарантира появата на пилета. Дори малки отклонения могат да развалят всичко, поради което е толкова важно да изберете правилния нагревателен елемент за инкубационната структура.

Нагревателят може да бъде монтиран над, под или около тавата за яйца. Трябва да работи гладко и да затопля тавата равномерно
Какви нагревателни елементи могат да се използват за инкубатора:
| Тип нагревател | Характеристики на употреба | Средна цена (към юли 2018 г.), рубли |
|---|---|---|
| Лампа | Лампата е лесна за подмяна и инсталиране, такива устройства винаги са на разположение в домакинството. Значителен недостатък на този елемент е неравномерното нагряване. Постоянната светлина е необичайно условие за излюпване. | Лампи с нажежаема жичка - 45. Керамични лампи - 650. |
| Нагревателен елемент | Вграденият нагревателен елемент разпределя равномерно топлината в кухината на инкубационното устройство. Недостатъкът на този нагревател е, че е труден за подмяна и необходимостта да се запази специално резервна под ръка, ако възникне повреда. | 400 |
| Инфрачервена | Това е най-икономичният тип нагревател. Инфрачервеният филм разпределя топлината равномерно върху тавата. Не е лесно да смените такива нагреватели и е по-добре да поканите специалист за тази задача. | 900 на кв. м. |
Как да проветрявате инкубатора си
Добрата вентилация осигурява равномерно разпределение на топлината в целия инкубатор. В застоял въздух яйцата се прегряват и ембрионите умират от липса на кислород.
Забележка! На шестия ден от развитието, пилешкият ембрион започва да диша в яйцето. Кислородът влиза през микроскопичните пори на черупката. На петнадесетия ден пилето се нуждае от поне 2500 мл въздух, а на деветнадесетия - 8 литра.
Вентилацията в инкубатора може да бъде продължителна или периодична. При първия вариант топлината се разпределя равномерно в тавата.

За да изпълните тази задача, не ви е необходим мощен вентилатор; за домашни цели вентилатор за инкубатор може да бъде направен от обикновен компютърен охладител с диаметър 80 mm
Съвет! Инсталирайте мрежест филтър пред вентилатора. Той ще предпази остриетата от пух.
Механизми за обръщане на яйца
Птицата в гнездото периодично обръща яйцата. Това също трябва да се направи в инкубатора, за да се гарантира, че ембрионите се развиват равномерно и пълноценно. По правило яйцата трябва да се обръщат на всеки 3 часа.В малък инкубатор за сто яйца това може да се направи ръчно, а в устройства с 200 или повече яйца трябва да се инсталира автоматичен въртящ се механизъм за инкубатора.
Автоматизацията за тази цел може да бъде рамкова или наклонена. За инкубаторите със среден размер се предпочита рамковата система: тя е лесна за работа и икономична. Но трябва да се помни: с внезапни движения на рамката яйцата могат да бъдат бити.
Но такива устройства консумират повече енергия и изискват сложна поддръжка. Те се инсталират в големи инкубационни станции.
Оптимални размери на домашен инкубатор за яйца
Размерите на инкубационната структура директно зависят от задачите, които ще поставите за нея. За малка ферма е оптимално да се съсредоточите върху дизайн за 100-120 клетки. Можете да използвате всички или само част от тях в зависимост от вашите нужди.

Диаметърът на клетката за всяко яйце е 4,5 см. Височината на клетката е най-малко 6,5 см. Удобно е, ако багажникът може да бъде сменен за по-големи или по-малки яйца.
Свързана статия:
Как да изградите кокошарник със собствените си ръце за 10 пилета. Ще говорим за това в статията и ще разгледаме не само схеми и материали, етапи на строителство, но и нуждите на птицата и оптималните условия за нейното поддържане.
Направи си сам инкубатор у дома: температурни условия за домашни птици от различни породи
Инкубационните температури са малко по-различни за различните породи домашни птици.
| Порода | Картина | Ден / градуси |
|---|---|---|
| Пилета | ![]() | 1-2/39 |
| Патици | ![]() | 1-12/37,7 13-24/37,4 25-28/37,2 |
| Индо-жени | ![]() | 1-30/37,5 |
| Гъски | ![]() | 1-28/37,5 |
| Пуйки | ![]() | 1-25/37,5 25-28/37,2 |
| Пъдпъдъци | ![]() | 1-17/37,5 |
Как да си направим инкубатор „направи си сам“ от хладилника: прости инструкции
Старият хладилник е отлична основа за направата на инкубатор. Той е достатъчно просторен, за да осигури малка ферма за разплод. Освен това хладилникът е запечатана конструкция, в която в идеалния случай се поддържат температурата и необходимият микроклимат. И така, как да направите инкубатор от стар хладилник.
Материали и инструменти за работа
В допълнение към самия хладилник ще ви трябват тави за яйца, подходящ термостат, вентилатор, 100-ватови лампи с нажежаема жичка и метална решетка. От необходимите инструменти - бормашина, отвертка и строителен нож.
Как правилно да подготвим корпуса на хладилника
Извадете всички вътрешни рафтове и чекмеджета от хладилника. Всички части на хладилния агрегат могат да бъдат премахнати, за да се улесни конструкцията. След това тялото на устройството трябва да се измие старателно с помощта на дезинфектант. Бактериите, които растат по стените на стар хладилник, могат да доведат до чума сред пилетата.
Инсталация на вентилационна система
За да преместите въздуха вътре в инкубатора, трябва да инсталирате вентилатор в една от стените на хладилника. Двигателят на вентилатора е монтиран отвън. Свежият въздух ще влиза през отворите на вратата и ще се изтегля от вентилационното устройство. Ако не знаете как да направите вентилация в домашен инкубатор, обърнете се към схемата.
Система за контрол на отоплението и влажността
Термостатът можете да направите сами. Как можете да направите просто устройство за инкубатор, ще ви разкажем подробно, като използваме примера на различни видове термостати.
| Тип термостат | Принцип на производство |
|---|---|
| Електрически контактор | Той се основава на обикновен живачен термометър с електрод, споен в тръба. Меркурий, движейки се по тръбата на скалата, завършва веригата, когато достигне електрода. Този сигнал изключва отоплителната система. |
| Биметален сензор | Евтин, но не най-надеждният вариант. При нагряване до определена температура плочата променя формата си и затваря веригата. |
| Барометрична система | За този сензор трябва да се използва мек метален херметичен цилиндър. При нагряване стените на цилиндъра се огъват и затварят електрода, разположен на милиметър от дъното. |
Всички тези системи могат да бъдат направени на ръка, но е по-добре да закупите готово устройство, което гарантира строг контрол върху температурния режим в камерата.

За да контролирате нивото на влажност, също е по-добре да си купите готово устройство - психрометър. Можете да го намерите в магазини за домашни любимци, ветеринарни аптеки или магазини за хардуер.
Но ако основно решите да направите всичко сами, вземете два обикновени термометра. Увийте носа на единия от тях с марля, а другия край пуснете в буркан с дестилирана вода. Второто устройство е контролно, то е фиксирано до него.
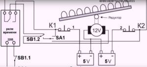
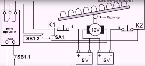
Как да си направиш инкубатор с автоматично обръщане
Автоматизацията за обръщане на яйца е сложна система, с която трябва да се поправите. Ще трябва да подготвите мотор-редуктор, метален профил и ъгъл, пластмасови кутии за зеленчуци, лагери, верига, звездичка и скоби.
В допълнение, видео инструкция за това как да направите инкубатор от хладилника със собствените си ръце.
Свързана статия:
Направи си сам зимен кокошарник за 20 пилета: необходимите условия за отглеждане на птици, чертежи на конструкции, как да го изградите сами, преглед на готовите модели, отопление на кокошарник през зимата - в нашата публикация.
Нюансите на направата на инкубатор от пяна за домашна употреба
Пенопластът е материал, който поддържа температурата много добре. Той е достъпен, евтин и лек. Много малък инкубатор може да бъде направен от пяна, за три дузини яйца или твърда конструкция, върху метална или дървена рамка. Интересен опит в този сюжет:
DIY инкубатор от шперплат за яйца: видео инструкция
Шперплатът или OSB плочата е добра основа за тялото на инкубатора. За топлоизолация вътре трябва да използвате изолация, например изолон. Подробно описание на този дизайн е в това видео.
Забележка! Чертежи и диаграми за направата на инкубатори със собствените си ръце са лесни за намиране в мрежата.Но преди да вземете един от тях за основа, внимателно прочетете отзивите от потребители, които са изпробвали модела на практика.
Няколко съвета как да използвате домашен инкубатор
Редакторите на онлайн списанието homebase.techinfus.com препоръчват да се спазват следните правила:
- След всяко отстраняване цялата конструкция трябва да бъде старателно дезинфекцирана. Всички части на устройството се избърсват с гъба с разтвор за избелване.
- След дезинфекция инкубаторът се изсушава и проветрява.
- Инкубаторът трябва да се намира на място, защитено от течение и температурни спадове.
- Не забравяйте да добавите вода към изпарителната тава.
- Уверете се, че температурните сензори са разположени в областта на тавите.
- Преди да снасите яйца, включете инкубатора за един ден и проверете стабилността на неговата работа.

Не забравяйте, че стабилният режим на температура и влажност е предпоставка за здрави млади домашни птици.
Проблем с цената: купете или си направете автоматичен инкубатор за яйца
Колко струва домашен инкубатор? Нека да видим цените за популярни модели, според Yandex.Market.
| Модел | Картина | Спецификации |
|---|---|---|
| Пепеляшка | ![]() | Брой яйца: 45. Захранва се от 12V: да. |
| Модел | Картина | Спецификации |
|---|---|---|
| Идеална кокошка за пило | ![]() | Брой яйца: 63. Обръщане: автоматично. Захранва се от 12V: да. |
| Модел | Картина | Спецификации |
|---|---|---|
| Сититек | ![]() | Обръщане: автоматично. Брой яйца: 48. |
| Модел | Картина | Спецификации |
|---|---|---|
| Блиц | ![]() | Обръщане: автоматично. Брой яйца: 120. |
Както можете да видите, устройство за 100-150 яйца ще ви струва като нов хладилник. Така че е много по-изгодно да използвате стар хладилник или кутия от шперплат.

Дори при закупуването на всички сензори този дизайн ще ви струва три пъти по-евтино от фабрично изработения модел.
Ако имате опит в изработването и експлоатацията на домашен инкубатор, споделете го в коментарите!
















































