Cara membuat pengesan logam dengan tangan anda sendiri: arahan terperinci dan gambar rajah
Anda tidak akan mempercayai berapa banyak harta yang ada di bawah kaki kita. Jelas bahawa kita bahkan tidak curiga akan adanya harta karun sehingga ia bertindak balas dengan mencicit pada alat pengesan logam. Tanpa alat ini, ahli arkeologi, pencari geologi, mesin pencari dan pembangun tidak dapat membayangkan kerja. Alat profesional adalah mahal, jadi jika memburu harta karun adalah hobi untuk anda, anda pasti akan memikirkan cara membuat alat pengesan logam dengan tangan anda sendiri. Hari ini, pasukan editorial homebase.techinfus.com/ms/ menjemput anda untuk mengkaji beberapa peretasan hidup, gambar rajah kerja dan arahan pembuatan yang terbukti untuk peranti ini. Ia tidak sesukar yang didengar, dan walaupun anda seorang amatur radio pemula, anda dapat menyelesaikan tugas dengan mudah.

Pencarian harta karun adalah hobi menarik yang memerlukan pengetahuan bukan sahaja dalam sejarah, tetapi juga teknologi dan elektronik
Kandungan artikel
- 1 Bagaimana pengesan logam berfungsi dan bagaimana ia berfungsi
- 2 Parameter pengesan logam bergantung pada tujuan dan peranti teknikal
- 3 Apakah jenis alat pengesan logam yang boleh anda buat di rumah dengan tangan anda sendiri?
- 4 Pengesan logam buatan sendiri "Pirate": gambarajah dan penerangan pemasangan terperinci
- 5 Adakah mungkin membuat alat pengesan logam bawah air dengan tangan anda sendiri?
- 6 Pengesan logam buat sendiri "Terminator 3": gambarajah terperinci dan arahan video untuk pemasangan
- 7 Cara membuat pengesan logam dengan tangan anda sendiri dengan diskriminasi logam
- 8 Ciri-ciri pengesan logam dalam
Bagaimana pengesan logam berfungsi dan bagaimana ia berfungsi
Prinsip pengoperasian peranti berdasarkan undang-undang fizik, yang membolehkan anda mengenali objek dari jarak jauh. Tindakan diarahkan dan terhad. Semakin mahal pengesan logam, semakin besar jejari pengoperasiannya dan kepekaan pengesannya. Model kompleks mempunyai fungsi pengesanan logam. Setiap jenis logam berinteraksi dengan caranya sendiri dengan kekerapan gelung carian, dan peranti membandingkan tindak balas dengan piawai dan memaparkan maklumat untuk pengendali di paparan atau memberikan isyarat bunyi.
Dalam reka bentuk lain yang popular, instrumen menganalisis peralihan fasa pada gegelung transmisi dan penerimaan. Apabila tidak ada logam di kawasan liputan pengesan, gegelung menghantar isyarat amplitud rendah. Semasa anda menghampiri objek carian, amplitud bertambah. Oleh itu, anda dapat membezakan antara logam bukan ferus dan besi dan mengesan kekosongan di dalam tanah. Peranti pengesan logam ditunjukkan dalam rajah berikut.
Parameter pengesan logam bergantung pada tujuan dan peranti teknikal
Pengesan logam untuk penggemar hobi adalah alat termudah dari jenis dinamik. Kepala carian peranti mesti sentiasa bergerak, hanya dengan cara ini isyarat yang dicari dapat muncul. Sekiranya anda berhenti bergerak, isyarat akan hilang. Pengesan sederhana seperti itu mudah digunakan kerana ia tidak memerlukan tetapan yang rumit dan memungkinkan untuk mengecualikan tanah sederhana. Di antara kekurangannya, kita harus perhatikan kepekaannya yang lemah dan sering berlaku penggera palsu di kawasan yang sukar.
Peranti jarak jauh mempunyai kepekaan terbaik. Dalam konfigurasi kilang, peranti ini dilengkapi dengan beberapa kepala carian dengan pelbagai ukuran. Kemahiran tertentu diperlukan untuk mengatur pengesan. Pengesan logam jarak jauh mampu mengesan logam.
Peranti berkomputer sudah menjadi instrumen profesional dengan layar LCD dan petunjuk penunjuk. Memori pemprosesnya dimuat dengan program yang mampu mengenali dan membezakan isyarat, mengklasifikasikan setiap objek yang dikesan. Profesional secara mandiri memprogramkan peranti untuk keadaan carian, tidak termasuk respons yang tidak diingini.
Alat mencari emas tidak hanya berfungsi pada duit syiling dan perhiasan yang terdapat di tanah, tetapi juga pada logam asli. Ia tidak sesuai untuk mencari zarah kecil seperti pasir. Dia tidak mengenalinya, terutamanya jika tanah mempunyai mineralisasi tinggi.

Jika tidak, alat pengesan logam ini sangat sensitif dan berfungsi dengan baik, misalnya ketika mencari perhiasan emas di pasir pantai.
Pengesan kedalaman diasah untuk mencari objek yang terletak pada kedalaman yang mengagumkan. Mereka dapat mengesan logam pada kedalaman 6 meter, sementara model lain "menembusi" hanya hingga 3. Peranti sedemikian mengenali kekosongan dan anomali tanah dalaman yang lain. Pengesan dalam berfungsi pada dua gegelung, satu selari dengan permukaan tanah, yang lain tegak lurus.
Pengesan pegun adalah bingkai yang dipasang pada objek terlindung yang sangat penting. Mereka mengira sebarang objek logam di dalam beg dan poket orang yang melalui litar.
Apakah jenis alat pengesan logam yang boleh anda buat di rumah dengan tangan anda sendiri?
Pengesan dibahagikan kepada 5 jenis utama mengikut prinsip mengesan objek yang dikehendaki.
Mari kita fikirkan pengesan logam mana yang sesuai untuk dibuat dengan tangan anda sendiri di rumah:
| Jenis | Ciri-ciri: | Adakah sesuai untuk pembuatan DIY |
|---|---|---|
| Penyampaian penerimaan | Berfungsi dengan dua gegelung aruhan. Sekiranya tiada objek yang diinginkan, isyarat tidak masuk ke gegelung penerima. | Ya |
| Aruhan | Menggabungkan fungsi kedua gegelung. Isyaratnya tetap, berubah ketika mengesan logam. | Tidak, sebagai peraturan, kesulitan timbul dengan pemilihan isyarat yang berkesan. |
| Berdasarkan meter frekuensi | Reka bentuk peranti ini merangkumi generator LC, yang mengubah frekuensi ketika objek logam dikesan. Mempunyai kepekaan yang rendah. | Ya |
| Dengan Q-meter | Mempunyai penganalisis isyarat penjana LC. Berfungsi buruk pada suhu rendah. | Ya |
| Nadi | Berdasarkan penghantaran arus nadi eddy. Isyarat mengubah wataknya bergantung pada jenis logam yang dikesan. | Ya |
Dan sekarang, dengan lebih terperinci mengenai cara membuat alat pengesan logam sederhana dengan tangan anda sendiri menggunakan contoh reka bentuk Pirate.
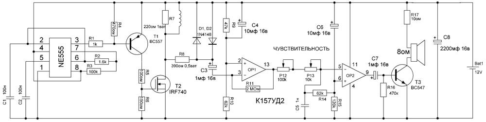
Pengesan logam buatan sendiri "Pirate": gambarajah dan penerangan pemasangan terperinci
Sekiranya anda hanya memikirkan cara membuat alat pengesan logam buatan sendiri, jangan berusaha mengatasi model yang rumit. Mulakan dengan Pirate yang sederhana namun berkesan. Nama itu dicipta oleh pengarang produk buatan sendiri dari gabungan Pi (impuls) dan Ra-t (radioskop). Nama tersekat, dan skema pemasangan yang mudah difahami sangat disukai pengguna sehingga "Pirate" menjadi salah satu produk buatan sendiri yang paling popular di kawasan ini. Pada masa ini, sudah ada 4 modifikasi skema Pirate. Pengesan logam hanya dipasang dengan tangan, tanpa menggunakan alat tertentu.
Satu-satunya kelemahan peranti ini ialah tidak ada skema untuk bekerja dengan diskriminasi logam dalam alat pengesan logam buatan sendiri. Tetapi bagi pemburu harta karun pemula, ini tidak relevan.

Sebagai tambahan kepada bahagian yang diperlukan untuk pemasangan, anda memerlukan besi pematerian, pemutar skru, dan pita penebat untuk bekerja.
Bahagian untuk memasang pengesan logam
Untuk mengeluarkan peranti, anda perlu membeli:
- kapasitor seramik - 1 nF;
- 2 kapasitor filem - 100 nF;
- kapasitor elektrolit: 10 μF (16 V) - 2 keping, 2200 μF (16 V) - 1 keping, 1 μF (16 V) - 2 keping, 220 μF (16 V) - 1 keping;
- perintang - 7 keping setiap 1; 1.6; 47; 62; seratus; 120; 470 kOhm dan 6 keping untuk 10, 100, 150, 220, 470, 390 Ohm, 2 keping untuk 2 Ohm;
- perintang berubah - 3 keping untuk 10 dan 100 kOhm, 400 Ohm (1W);
- transistor - 3 keping, ВС557, IRF740, ВС547;
- 2 diod 1N148;
- 2 litar mikro: K157UD2 dan NE555.
Anda juga memerlukan paip plastik untuk rod, bateri atau akumulator 9V dan wayar PEV dengan diameter 0.8 mm.
Catatan! Ramai yang berminat dengan cara membuat alat pengesan logam dari telefon dengan tangan mereka sendiri. Beberapa pembangun malah menawarkan program yang boleh anda muat turun ke telefon dan digunakan untuk tujuan ini. Amatur radio yang serius hanya boleh menasihati anda untuk menggunakan beberapa alat ganti - contohnya, input fon kepala atau bateri, mungkin papan untuk membuat litar mikro.
Litar pengesan logam DIY
Skim Pirate paling mudah kelihatan seperti ini.
Papan boleh diletakkan dalam kotak penerima poket atau kotak plastik dengan ukuran yang sesuai, bahkan kotak simpang sederhana dari gudang juruelektrik sesuai.
Perkara penting! Untuk menghilangkan kemungkinan gangguan semasa menyentuh pengatur peranti, semua kes perintang berubah-ubah disambungkan ke tolak papan.
Sekiranya anda ingin membuat eksperimen anda lebih jauh, berikut adalah rajah untuk membuat pengesan logam berasaskan emas.
Sekiranya anda memasang litar dengan betul, peranti akan berfungsi dengan baik. Kemungkinan masalah dengan litar mikro.
| Masalah | Kaedah penyelesaian |
|---|---|
| Tidak ada teguran atau tindak balas terhadap perubahan frekuensi | Pilih perintang 10k secara bersiri dengan kapasitor dalam penjana 300pF. |
| Pengujaan generator, desis dan wisel yang berlebihan | Tambahkan kapasitor 1000pF dengan plumbum casis. |
Cara memasang papan litar bercetak pengesan logam dengan tangan anda sendiri
Susun atur PCB pengesan logam cukup mudah. Ia boleh dibahagikan secara bersyarat kepada beberapa blok:
- pemasangan gegelung carian;
- penguat bunyi transistor;
- penjana nadi;
- penguat adalah dua saluran.
Beginilah rupanya.
Penjana nadi dipasang pada pemasa NE555. Melalui pemilihan C1 dan 2 dan R2 dan 3, frekuensi disesuaikan. Denyut yang diperoleh sebagai hasil pemindaian dihantar ke transistor T1, dan ia menghantar isyarat ke transistor T2. Penguatan frekuensi audio berlaku pada transistor BC547 ke pemungut, dan fon kepala disambungkan.
Catatan! Anda boleh membuat alat pengesan logam dengan tangan anda sendiri tanpa litar mikro. Di jaring anda akan menemui banyak litar analog pada penjana transistor.Peranti sedemikian akan mengesan logam pada kedalaman hingga 20 sentimeter di tanah dan hingga 30 - di pasir longgar.
Cara membuat gegelung untuk pengesan logam dengan tangan anda sendiri
Gegelung adalah bahagian penting dalam peranti. Ia boleh dibuat dari dawai tembaga atau pasangan berpintal. Maklumat lebih terperinci di kelas induk kami.
Gegelung dawai tembaga
Gegelung pasangan berpintal
Nasihat! Sekiranya anda ingin membuat gegelung yang lebih kuat untuk alat pengesan logam anda dengan tangan, berikan bentuk elips.
Arahan terperinci untuk menyiapkan pengesan logam DIY "Pirate"
Untuk pemasangan terakhir instrumen, anda memerlukan tiub plastik. Gambar rajah mudah. Sensitiviti pengesan diselaraskan menggunakan potensiometer. Dapatkan hasilnya sehingga dapat mengenali duit syiling dari jarak 30 sentimeter. Dia "mendengar" deposit logam besar dalam satu setengah meter. "Pirate" tidak mengenali logam bukan besi di bawah anda atau hitam, jadi anda hanya perlu menggali di sini, dan ada kemungkinan anda akan terjumpa palung lama, dan bukan pada harta karun yang didambakan. Tetapi dalam kes ini, anda tidak boleh mengambil dari segi kualiti, tetapi dengan kuantiti, kerana logam apa pun dapat diserahkan ke pusat kitar semula.
Bagaimana rupa "Pirate" dalam video seterusnya. Hanya perlu diketahui bahawa alat pembinaan untuk pembuatan peranti ini boleh dibeli di Internet. Ngomong-ngomong, ia dilengkapi dengan arahan terperinci mengenai cara membuat alat pengesan logam sendiri di rumah menggunakan bahagian kit.
Adakah mungkin membuat alat pengesan logam bawah air dengan tangan anda sendiri?
Mencari harta karun di bawah laut adalah pengalaman yang menarik. Peluang mencari sesuatu yang bernilai tidak terlalu kecil, terutamanya jika anda mempunyai idea untuk mencari di mana. "Perompak" yang kita bicarakan dapat mengatasi pencarian di bawah air. Hanya perlu sedikit mengubahnya, membuat penebat yang baik dari kelembapan dan menggantikan isyarat audio dengan LED. Bagaimana ia akan berfungsi dalam video ini.
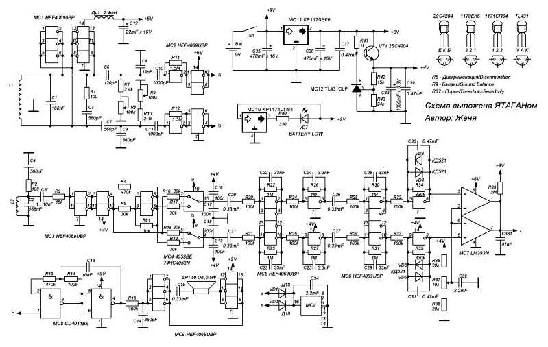
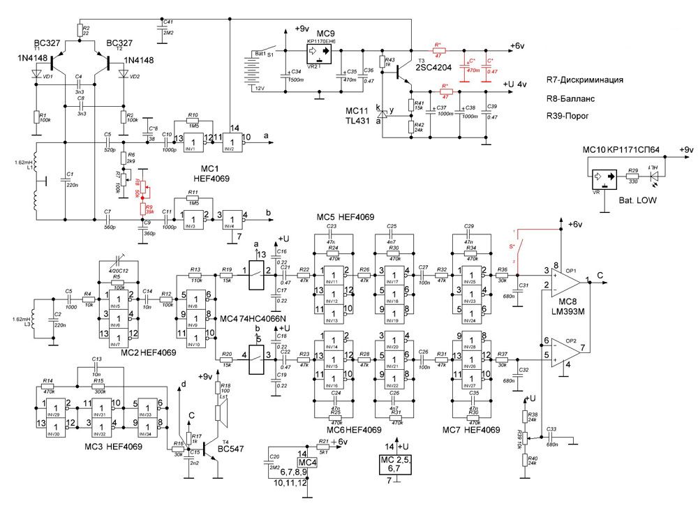
Pengesan logam buat sendiri "Terminator 3": gambarajah terperinci dan arahan video untuk pemasangan
Pengubahsuaian lain pengesan logam buatan sendiri adalah Terminator. Produk buatan sendiri sentiasa meningkatkan peranti, dan kini versi ketiga peranti ini popular, mengusahakan prinsip keseimbangan induksi.
Kami menawarkan penerangan yang paling terperinci mengenai pemasangan peranti tersebut dari tukang Viktor Goncharov.
Catatan! Untuk pemasangan sendiri dengan tangan anda sendiri, anda boleh memilih alat pengesan logam berbentuk rama-rama dengan dua kontur. Ia sedikit lebih rumit, tetapi tidak kurang berkesan.
Cara membuat pengesan logam dengan tangan anda sendiri dengan diskriminasi logam
Diskriminasi terhadap logam adalah kemampuan instrumen untuk membezakan antara bahan yang dikesan dan mengklasifikasikannya. Diskriminasi berdasarkan kekonduksian elektrik logam yang berbeza. Pemproses pengesan menganalisis peralihan fasa antara isyarat kedua gegelung dan tidak hanya membezakan logam bukan ferus dari hitam, tetapi dapat mengenali sama ada itu tembaga, emas atau perak. Proses diskriminasi paling sederhana dilaksanakan dalam alat nadi. Mereka dapat mencari dan membezakan bukan ferus daripada logam ferus.

Model profesional dilengkapi dengan "otak" yang dapat diprogramkan yang mampu memberikan isyarat hanya pada objek yang diinginkan, tanpa mengalihkan perhatian pengendali kepada penemuan lain
Catatan! Tidak kira seberapa profesional peranti ini, jangan mengharapkan hasil seratus peratus daripadanya. Banyak bahan mempunyai kekonduksian elektrik yang serupa, jadi mesin itu salah.
Maklumat terperinci mengenai pemasangan alat pengesan dalam klip video.
Ciri-ciri pengesan logam dalam
Pengesan logam dalam menarik kerana dapat mengesan objek di mana instrumen lain tidak berdaya. Pengesan logam dalam yang dibuat sendiri dengan baik kelihatan pada kedalaman 6 meter, dan tidak terhalang oleh akar, lompang atau halangan lain. Satu peringatan - dengan pertolongannya, anda hanya dapat mengesan objek besar, dan ini dapat difahami, kerana demi beberapa duit syiling, anda tidak akan menggali lubang sepanjang enam meter.
Dan sekali lagi kita kembali ke model universal pengesan Pirate yang sama. Ternyata alat yang mendalam dapat dibuat berdasarkannya, dan ini sama sekali tidak sukar. Proses pengubahsuaian dijelaskan dalam video ini.
Seperti yang anda lihat, tidak ada yang mustahil! Sekiranya anda mempunyai fius, cubalah dan bereksperimen. Mungkin, di suatu tempat anda akan menemui harta yang tidak terkira banyaknya yang dapat mengubah hidup anda secara radikal. Sekiranya anda mempunyai pengalaman dalam memasang peranti tersebut dan menggunakannya, bagikan dalam komen, kami akan sangat berterima kasih kepada anda!






































