Отопление на селска къща: опции и цени, избор на най-доброто
Когато планирате целогодишен живот в селска къща, трябва да се притеснявате за създаването на ефективен отоплителни системи... В момента има голям брой различни видове отоплителни устройства, които се различават не само по техническите си характеристики, но и по цена. Следователно е необходим компромис между необходимостта от получаване на оптимална вътрешна температура и разходите за гориво. Тоест, трябва компетентно да обмислите и приложите отоплението на селска къща: сравнете опциите и цените според важни критерии и направете правилния избор.
Съдържанието на статията
- 1 Основни критерии за подбор
- 2 Отопление на селска къща: опции и цени на най-популярните
- 3 Водно отопление
- 4 Електрическо отопление на селска къща: опции и цени
- 5 Отопление на газ
- 6 Отопление на печка на дърва
- 7 Сравнение на разходите за различни отоплителни системи
- 8 Заключение
- 9 Видео: какво е по-евтино за отопление на селска къща?
Основни критерии за подбор
При избора на отоплителни системи един от важните критерии е наличието в определен регион на определен вид гориво, което има приемливи разходи, които могат да се доставят централизиран газ, възможност за поръчка на твърдо гориво или други опции. Важно е определен тип гориво да не изсъхне през следващите 5-10 години, тъй като в противен случай отоплителната система няма да може да се изплати, с изключение на случаите на живот в северните региони. Следователно, ако предварително е известно, че например добивът на въглища може да приключи, тогава си струва трезво да се оценят перспективите за преработка на отоплителното устройство или да се вземе предварително такова, което е предназначено за няколко вида гориво.
Друг критерий е ефективността на отоплителните устройства. Във финансово отношение това означава, че когато се използва устройство с по-висока топлинна мощност, ще отнеме по-малко време за една и съща площ и по-нисък разход на гориво, тоест ще има икономии в рамките на 20-40% от общите прогнозни разходи. На практика по-голямата ефективност ще повлияе на способността за генериране на повече топлина в помещението за определен период от време.
Внимание! Количеството топлообмен зависи не само от ефективността, но и от отделянето на топлина от определен вид гориво. Ето защо е необходимо предварително да се изчисли общата площ на къщата и да се направят топлинни изчисления.
Изборът на отоплителна система зависи и от температурната разлика между външността и помещението. Тоест трябва да развие необходимата мощност. На първо място, това зависи от материала на тялото, в който се извършва горенето, от метода на топлопреминаване, използвания топлоносител, използваните радиатори, както и от ефективността на топлоизолацията на къщата.
Отопление на селска къща: опции и цени на най-популярните
По метода на отоплението системите се разделят на автономни и централизирани. Изборът между тях не е толкова ясен, тъй като те се различават по много параметри, които в конкретни случаи могат да играят значителна роля в зависимост от приоритетите.
Отоплителна система
Автономните се считат за най-надеждни, тъй като тяхното изпълнение зависи от качеството на поддръжката и навременния ремонт на всички устройства и възли. Собственикът на къщата независимо следи за изпълнението и го поддържа в правилно състояние или кани специалисти, които могат да предоставят висококачествена услуга и да идентифицират възможни повреди на ранен етап.
По отношение на функционалността автономните устройства превъзхождат централизираните, тъй като те могат да се използват не само за отопление, но например за получаване на топла вода или за готвене, в зависимост от използваното гориво. Цената на такова оборудване обаче ще струва няколко пъти повече, отколкото за централизирано. По отношение на размерите, тя ще заема голямо пространство и в някои случаи, за да се гарантира безопасността на къщата, ще е необходимо да се отдели отделна стаяд.
Според метода на отопление автономните източници се разделят на следните:
- Водни.
- Електрически.
- Твърдо гориво.
Топлофикация
Централизираното отопление е най-често срещаното в градската среда, но извън града е много рядко, тъй като повечето села са се справяли с отопление от печки на твърдо гориво. Може да е вода или газ. Водно отопление предполага наличието на източник на отопление извън сградата, към който са свързани още няколко къщи или квартали. Тоест, охлаждащата течност се доставя чрез комуникации директно до потребителя, който самостоятелно определя как да я изхвърли. Централизираната газова система означава, че горивото се подава в дом, който разполага с цялото необходимо отоплително оборудване.
Основното предимство на централизираните системи е липсата на проблеми с намирането и доставянето на гориво за крайния потребител. В повечето случаи разходите за отопление се оказват много по-евтини, отколкото ако трябва самостоятелно да търсите и поръчате подходящ вид гориво. Оборудването, в сравнение с автономните нагреватели, е по-евтино, с изключение на доставката на газ, когато е необходимо да се закупи котел.
Има обаче и недостатъци:
- Пълна зависимост от доставчика на услуги. По всяко време подаването на охлаждаща течност или гориво може да спре по различни причини. Техническите условия за доставка не винаги могат да съответстват на посочените, особено по време на сезонните претоварвания. За потребителя това е изпълнено с недостатъчно отопление на помещенията или повреда на оборудването.
- Необходимостта от месечно плащане за консумирани услуги, които, както беше отбелязано по-горе, не винаги отговарят на стандартите.
- Няма начин да се контролира температурата на охлаждащата течност или налягането на горивото, което може да намалее или, напротив, да бъде силно надценено.
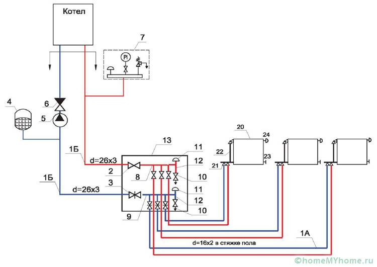
Водно отопление
Когато избирате отопление на селска къща, много опции и цени се спират на водния. Това е затворена система за циркулация на водата през тръби през всички помещения на къщата от източник на отопление до разсейватели на топлина (радиатори). Топлопредаването се извършва с помощта на топлоносител.
Основната роля в системата за отопление на водата играе котелът, който е предназначен за отопление на охлаждащата течност. Това може да бъде газ, твърдо гориво, електричество или дизел. Мощността на нагряване се определя от размера на горивната камера и вида на горивото. Създаването на водно отопление от печка на дърва е най-евтиното за региони с голям брой горски насаждения.
Свързана статия:
Отопление в частна къща от полипропиленови тръби. Отделен преглед предоставя информация за използването на полипропиленови тръби, тяхната инсталация и цени.
Според метода за осигуряване на циркулацията на водата в тръбите системите се разделят на следното:
- С естествена циркулация. Движението на охлаждащата течност се създава, когато водата се нагрява чрез създаване на температурен градиент и промяна на нейната плътност. Това не изисква инсталиране на допълнителни помпи за изпомпване. Скоростта на циркулация е достатъчна за ефективен пренос на топлина към външната среда. Ефективността му обаче достига своята граница при загряване на площ близо до 100 m2 и по-високи, следователно обхватът е ограничен до малки къщи. Предимството е икономичността на системата и лекотата на изпълнение. Възможността за създаване на висококачествено отопление на частна къща без газ и електричество.
- С принудителна циркулация. За разлика от предишния случай, в тази ситуация циркулационната помпа е свързана. Неговата задача е да осигури достатъчна скорост на циркулация на охлаждащата течност за отопление на къщи с големи площи (повече от 100 m2) или сгради с повече от два етажа.
Свързана статия:
Дълго горещи пиролизни котли с водна верига. Принцип на действие. устройство и критерии за избор на тези единици в специална публикация на нашия портал.
Всяко отопление на водата има следните недостатъци:
- Поради преминаването на охлаждащата течност през тръбите, тя губи температурата си и в резултат на това може да възникне значителен температурен градиент. Тоест помещенията, които са най-близо до котела, ще се затоплят повече от отдалечените.
- Инерцията на системата. След включване или изключване на отоплението, в зависимост от размера на комуникациите, отнема известно време, за да достигне желаната температура.
- Необходимостта от полагане на тръби върху вътрешната или външната повърхност на стените. Първият вариант може да бъде изпълнен само до момента, в който стаите бъдат реновирани, а вторият може да влоши дизайна на помещенията поради вида на външните комуникации.
- Охлаждащата течност трябва постоянно да се нагрява.
- Шум по време на работа на системи с принудителна циркулация.
Полезна информация! Водното отопление ви позволява да осигурите къща с топла вода за битови и битови нужди. Освен това става възможно да се монтират подове с водно отопление, в допълнение към стандартните отоплителни радиатори и да се получи необходимото разпределение на температурата в помещението.
Електрическо отопление на селска къща: опции и цени
Електрическите отоплителни системи са едни от най-популярните в селските къщи, тъй като са лесни за инсталиране (с изключение на топлите електрически подове), осигуряват почти моментално отопление и са напълно безшумни по време на работа.Огромно разнообразие от устройства ви позволява да изберете най-оптималния не само по отношение на техническите характеристики, но и по отношение на метода на инсталиране. Изборът на електрическо отопление за селска къща, опциите и цените могат да се различават значително и зависят не само от техническите характеристики, но и от декоративния външен дизайн. Типовете устройства са от следните типове:
- Подови стоящи или стенни конвектори.
- Вентилаторни нагреватели.
- Кабелни или фолио системи за подово отопление.
Основното изискване за стабилна работа на електрическото отопление е наличието на непрекъснато подаване на електрически ток. Освен това за определена мощност на нагревателните елементи трябва да има изчислено окабеляванеа. Следователно е необходимо предварително да разберете максимално допустимото натоварване на мрежата от домакински уреди и за какво са предназначени проводниците. Ако мощността на товара е на границата, тогава се препоръчва да се постави отделен проводник от електромера до нагревател с инсталирането на прекъсвач, който ще предпази основната мрежа от претоварване и аварийни ситуации.
Предимството на електрическото отопление е висока ефективност, относителна евтиност на електричеството и оборудването, ниски изисквания за поддръжка, компактен размер на устройствата и липса на шум по време на работа. Недостатъците включват увеличен изисквания за окабеляване, както и необходимостта от стабилни параметри за ток и напрежение в мрежата.
Отопление на газ
Газовото отопление е едно от най-икономичните, което ви позволява да възстановите разходите за цялото закупено оборудване в най-кратки срокове, в зависимост от интензивността на неговото използване. Системата включва котел, тръбни комуникации, радиатори, циркулационна помпа, топлообменник, разширителен резервоар, както и контролни и предпазни устройства. Котелът осигурява нагряване на охлаждащата течност чрез топлообменник, който циркулира в затворена система. За предотвратяване на извънредни ситуации в случай на прегряване на охлаждащата течност се използва разширителен резервоар. Топлината се предава в помещенията чрез радиатори.
В зависимост от площта на къщата е необходимо да изберете броя на отоплителните кръгове. Това ще осигури равномерно отопление на помещенията и ще сведе до минимум топлинните загуби чрез намаляване на дължината на комуникациите. Отоплението с газ за селска къща с голяма площ се показва като най-ефективно и търсено, а опциите и цените на оборудването са доста гъвкави.
Предимствата на такива системи са: ефективност, лекота на използване, ниска цена на горивото. Недостатъкът е опасността от използване на газово оборудване с неправилен контрол, необходимостта от организиране на високо качество вентилация.
Важно! Газовите котли са устройства с повишена опасност от експлозия и пожар. Следователно е необходимо да се осигурят подходящи предпазни мерки и да се спазват правилата за монтаж в съответствие с действащите правила и разпоредби.
Свързана статия:
Подови газови котли за отопление на дома. Отделна публикация предоставя ценна информация за избора и монтажа на подови стойки.
Отопление на печка на дърва
При избора на отопление на селска къща е необходимо да се разгледат опции и цени, които отговарят на всички критерии и са напълно оправдани от финансова гледна точка.Това означава, че не трябва да се забравя за отоплението с печка на дърва, чието използване може да бъде оправдано от невъзможността или високата цена на полагане на централизирани комуникации или евтиността на горивото.
Характеристика на такива структури е тяхната масивност. Поради дебели стени или големи обеми, те могат да осигурят дългосрочно задържане на температурата или моментално нагряване. Може да се направи ръчно от метал или тухли... Това прави такива печки доста бюджетен вариант, който е подходящ за къщи с малка площ. Ако е необходимо да се разшири отоплителната площ, отгоре на пещта се монтира котел и се свързва към система за водно отопление.
Полезна информация! За един обикновен човек е доста трудно да изчисли техническите характеристики на домашна печка, в резултат на което отоплителната система може да бъде неефективна. Ето защо се препоръчва при избора да се обърне внимание на масово произвежданите модели от известни производители. Приемлива цена котли на твърдо гориво за отопление на частна къща отзивите на клиентите са само положителни, тъй като те получават гарантирано качество и могат точно да планират разходите за закупуване на допълнително оборудване.
Сравнение на разходите за различни отоплителни системи
За да се разберат разходите и разходите, е необходимо да се проучат данните в таблица 1, която показва различните отоплителни системи за селска къща, като се посочат приблизителните разходи за монтаж и топлинните характеристики.
Таблица 1. Очаквани разходи за оборудване и топлинни характеристики на различни отоплителни системи
| Тип гориво | Калорична стойност, хиляда kJ / m3 | Средна ефективност,% | Очаквани разходи, руб. | Тип отопление |
|---|---|---|---|---|
| Газ (централизиран) | 36 | 70-80 | 340 000 | вода |
| Газ (автономен, резервоар за газ) | 36 | 70-80 | 120 000 | вода |
| Въглища | 20-30 | 50-70 | 5 000 - 25 000 | вода |
| Дърва за горене | 10-20 | 50-80 | 5 000 - 25 000 | въздух, вода |
| Дизелово гориво | 42 | 70-80 | 5 000 - 50 000 | въздух, вода |
| Електричество | 3,6 (при 1 kW мощност на нагревателя) | 90-100 | 1 000 - 20 000 | въздух, вода |
Както може да се види от Таблица 1, ситуацията е доста неясна, тъй като не винаги е възможно да се получат едновременни ползи от разходите за гориво и оборудване. Следователно трябва да търсим компромис и начини за адаптиране към специфичните условия на работа. Най-важното е да изготвите основните изисквания към системата и да изберете най-подходящия вариант.
Заключение
- Описани са основните отоплителни системи за частна селска къща.
- Дадени са предимствата и недостатъците на всеки от тях.
- В сравнителната таблица са посочени приблизителни цени на оборудването.
Видео: какво е по-евтино за отопление на селска къща?








































