การเพิ่มที่สำคัญของกริดพลังงานคือ RCD มันคืออะไร?
อนิจจาคุณลักษณะหนึ่งของเกือบทุกคนคือเศรษฐกิจ และเราชอบที่จะบันทึกสิ่งเหล่านั้นที่จะไม่มีประโยชน์ในชีวิตประจำวัน (อย่างน้อยทุกคนก็คิดเช่นนั้น) นี่เป็นเพียง "เครื่องประดับเล็ก ๆ น้อย ๆ " ชนิดนี้และเราจะจัดเรียงตามกระดูกในบทความนี้ คุณเคยได้ยินคำย่อ RCD หรือไม่? คุณจะพบว่ามันคืออะไรโดยการอ่านบทวิจารณ์จนจบ กล่าวโดยย่อฉันต้องการเพิ่มเติมว่าอุปกรณ์นี้สามารถปกป้องที่อยู่อาศัยและผู้อยู่อาศัยทั้งหมดจากเหตุฉุกเฉินที่เกี่ยวข้องกับไฟฟ้า
เนื้อหาของบทความ
- 1 หลักการทำงานของ RCD: มันคืออะไร?
- 2 RCD หรือเครื่องดิฟเฟอเรนเชียล: จะแยกแยะอย่างไรและจะเลือกอะไรดี?
- 3 ตัวเลือกสำหรับการเชื่อมต่อ RCD กับเครือข่ายเฟสเดียวที่มีและไม่มีสายดิน
- 4 การใช้ฟิลเตอร์ที่จับคู่กับ RCD
- 5 ข้อผิดพลาดทั่วไประหว่างกระบวนการเชื่อมต่อ
- 6 อุปกรณ์ป้องกันกระแสไฟรั่วสามเฟส
- 7 มาสรุปกัน
- 8 วิดีโอ: แผนภาพการเชื่อมต่อ RCD
หลักการทำงานของ RCD: มันคืออะไร?
หลังจากถอดรหัส RCD แล้วเราพบว่านี่เป็นอุปกรณ์กระแสไฟฟ้าตกค้างซึ่งเป็นเวลากว่าสิบปีที่วิศวกรพยายามทำให้เกิดความสมบูรณ์แบบและเพิ่มความคมชัดให้มากที่สุดสำหรับความต้องการในครัวเรือน ดังนั้นทุกอย่างเริ่มต้นในปี 1950 ขณะนี้มีการเผยแพร่ PUE (กฎการติดตั้งระบบไฟฟ้า) ฉบับแรก แน่นอนว่าในเวลานั้นไม่มีการโต้เถียงเกี่ยวกับการป้องกันกระแสไฟฟ้ารั่ว แต่เมื่อใกล้ถึงยุค 80 ทุกอย่างก็เปลี่ยนไป กฎไม่อนุญาตให้ติดตั้ง RCD ในเครือข่ายในครัวเรือนเนื่องจากส่วนประกอบของอุปกรณ์ไม่อนุญาตให้มีการขัดจังหวะด้วยกระแสไฟฟ้าที่มีกระแสไฟฟ้าต่ำ (ซึ่งแตกต่างจากองค์กรขนาดใหญ่) แต่ความอุตสาหะของนักพัฒนาและเทคโนโลยีใหม่ ๆ ทำให้เกิดการเริ่มต้นอย่างเป็นทางการสำหรับอุปกรณ์ประเภทนี้ซึ่งสะท้อนให้เห็นในบทที่ 7 ของ PUE
สาระสำคัญของ RCD
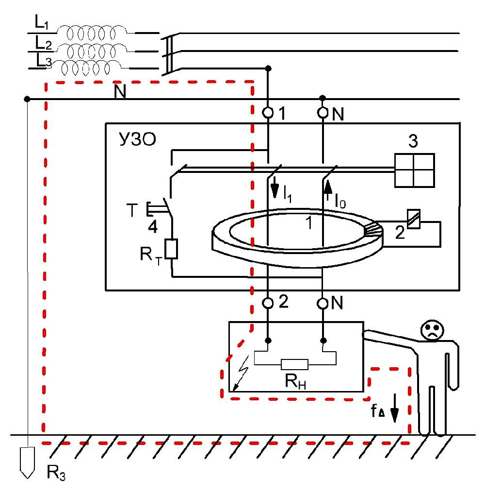
กระแสที่เข้าสู่อพาร์ทเมนต์จากเครือข่ายไหลผ่านสายเฟสขึ้นอยู่กับโหลดจากอุปกรณ์ทั้งหมด เมื่อถึงจุดสิ้นสุดมันจะย้อนกลับไปตามสายเคเบิลที่เป็นกลาง ค่าที่ทางเข้าเครือข่ายสถานที่และที่ทางออกจะต้องเหมือนกัน หากตัวบ่งชี้ขาเข้ามากกว่าตัวบ่งชี้ขาออกแสดงว่ามีการรั่วไหลของสายไฟที่ไหนสักแห่งในสายไฟซึ่งอาจทำให้เกิดไฟไหม้ได้ เพื่อหลีกเลี่ยงกรณีดังกล่าวมีการติดตั้ง RCDจุดประสงค์หลักคือเพื่อตรวจจับการเปลี่ยนแปลงใด ๆ ในโครงข่ายไฟฟ้าและเพื่อปิดเครื่องฉุกเฉินในกรณีที่แรงดันไฟฟ้าเกิน
RCD จากภายใน
อุปกรณ์ประกอบด้วยองค์ประกอบง่ายๆ:
- หม้อแปลงดิฟเฟอเรนเชียล (หรืออุปกรณ์ลำดับศูนย์) ที่มีสามขดลวด ตัวแรกและตัวที่สองปิดที่ศูนย์และเฟส อันที่สามเชื่อมต่อกับทริกเกอร์มือถือซึ่งทำจากรีเลย์หรืออุปกรณ์อิเล็กทรอนิกส์
- ทริกเกอร์อยู่ในชุดขับเคลื่อนกำลังและกลุ่มผู้ติดต่อ
- ปุ่มทดสอบ ทำหน้าที่สำหรับการทดลองตัดการเชื่อมต่อของเครือข่าย (ด้วยความช่วยเหลือพวกเขาตรวจสอบประสิทธิภาพของอุปกรณ์ป้องกัน)
ตัวอย่างของเครื่อง
RCD ได้รับการติดตั้งที่ทางเข้าเครือข่ายไปยังห้องผ่านกระแสน้ำเข้าและออกกลับ กระบวนการนี้เกี่ยวข้องกับขดลวดหลักและขดลวดทุติยภูมิครั้งแรกส่งกระแสไฟฟ้าขาเข้าผ่านตัวเองและขาออกที่สอง ในระหว่างการทำงานปกติของเครือข่ายแรงจะเท่ากันและสนามแม่เหล็กภายในหม้อแปลงเป็นศูนย์เนื่องจากกระแสเคลื่อนไปตามขดลวดในทิศทางที่ต่างกัน ในโหมดนี้ RCD จะไม่ทำงาน ลองนึกภาพว่ามีสายไฟอยู่ที่ไหนสักแห่งในสายไฟและกระแสไฟฟ้ารั่วลงสู่พื้น ดังนั้นแรงดันไฟฟ้าขาออกจึงเปลี่ยนไปและแรงต้านทานของขดลวดทั้งสองไม่เท่ากัน กระแสไฟฟ้าส่วนเกินไปที่ขดลวดที่สามซึ่งเปิดใช้งานกลไกพลังงานซึ่งจะปิดกระแสไฟฟ้าทั้งหมดในอพาร์ตเมนต์ แต่สิ่งนี้ไม่ได้เกิดขึ้นในทันทีเนื่องจากมีระยะขอบสำหรับไฟกระชากเล็กน้อยเพื่อไม่ให้สัญญาณเตือนผิดพลาดเกิดขึ้น
บันทึก! ผู้เชี่ยวชาญไม่แนะนำให้ติดตั้งระบบป้องกันในอพาร์ทเมนต์ที่มีสายไฟเก่าโดยเด็ดขาดโดยอ้างว่าสายไฟชำรุดเมื่อเวลาผ่านไปและอาจทำให้เกิดการรั่วได้ ในกรณีนี้อุปกรณ์จะขัดขวางการทำงานของเครือข่าย แต่ทุกอย่างตรงกันข้ามเพราะด้วยวิธีนี้คุณสามารถระบุการมีอยู่ของสายไฟพังได้
บทความที่เกี่ยวข้อง:
วิธีเลือกเครื่องปรับแรงดันไฟฟ้า 220V สำหรับบ้านของคุณ คุณคุ้นเคยกับปัญหาไฟดับซึ่งปรากฏให้เห็นในการกะพริบของไฟ ในบทความเราจะพูดถึงวิธีการเลือกตัวควบคุมแรงดันไฟฟ้าที่เหมาะสมสำหรับ 220v สำหรับบ้านของคุณเพื่อที่จะลืมปัญหานี้ทันที?
RCD หรือเครื่องดิฟเฟอเรนเชียล: จะแยกแยะอย่างไรและจะเลือกอะไรดี?
อุปกรณ์ทั้งสองมีความคล้ายคลึงกันมาก แต่ถ้าคุณเจาะลึกลงไปทุกอย่างก็เข้าที่ มาดูกันว่า RCD และเครื่องดิฟเฟอเรนเชียลทำงานอย่างไร ความแตกต่างค่อนข้างมีนัยสำคัญ
ความแตกต่างในการทำงาน
- UZО - ใช้งานได้เฉพาะกับการรั่วไหลของกระแสไฟฟ้าเพื่อหลีกเลี่ยงการเกิดไฟไหม้และเพื่อป้องกันบุคคลจากไฟฟ้าช็อต ในกรณีที่ไฟฟ้าลัดวงจรหรือโหลดเครือข่ายมากเกินไปอุปกรณ์จะไม่ตอบสนอง
- เครื่องจักรอัตโนมัติที่แตกต่างกัน - ทำงานร่วมกับข้อผิดพลาดใด ๆ ในการเดินสายไฟลัดวงจรภาระหนักการรั่วไหลความร้อนสูงเกินไปของสายไฟ
คุณสมบัติการเชื่อมต่อ
- ต้องเชื่อมต่ออุปกรณ์ป้องกันแบบขนานกับเบรกเกอร์วงจรมาตรฐาน มีความจำเป็นที่จะต้องทำงานเป็นคู่เสมอเนื่องจากสิ่งหนึ่งเสริมคุณสมบัติที่จำเป็น
ตอนนี้คุณรู้แล้วว่า RCD แตกต่างจากเครื่องดิฟเฟอเรนเชียลอย่างไร ตารางที่ 1. ราคาเฉลี่ยสำหรับอุปกรณ์เฟสเดียว รูปด้านบนแสดงวงจรมาตรฐานสำหรับเชื่อมต่อ RCD ในอพาร์ทเมนต์ซึ่งต่อสายดินด้วยวงจรนิ่ง เครื่องขัดข้องใกล้มิเตอร์มากที่สุด แต่หลังเครื่องหลัก แผนภาพยังแสดงให้เห็นว่าในระบบ TN-C (นี่คือสายไฟเก่าของเครือข่ายไฟฟ้า) ห้ามไม่ให้เปิดอุปกรณ์ป้องกันทั่วไป หากจำเป็นต้องใส่ RCD ลงในระบบเก่าตำแหน่งของมันจะอยู่ด้านหลังเครื่องรองที่ไปยังอุปกรณ์แต่ละเครื่อง กระแสสูงสุดของอุปกรณ์ดังกล่าวจะสูงกว่าเครื่องที่อยู่ด้านหลังสองสามขั้นตอน เมื่อไม่มีที่ดินในอพาร์ตเมนต์ตัวเลือกการเชื่อมต่ออุปกรณ์คือ ต้องเชื่อมต่อสายไฟตามลำดับที่แสดงในรูปด้านบนเท่านั้น การรบกวนจากเครื่องใช้ไฟฟ้าในบ้านและดิจิตอลบางชนิดอาจรบกวนการทำงานปกติของระบบทั้งหมด วงแหวนกรองแม่เหล็กเข้ามาช่วยซึ่งจะปล่อยสัญญาณรบกวนที่สร้างขึ้นก่อนที่จะเข้าสู่อุปกรณ์ป้องกัน มีตัวเลือกการติดตั้งสองแบบ ตัวกรองถูกบัดกรีเข้ากับร่างกายของอุปกรณ์ตัดการเชื่อมต่อโดยตรง งานนี้ดำเนินการโดยช่างไฟฟ้ามืออาชีพเท่านั้น แหวนชุดนี้หลุดเข้ากับสายไฟทันทีที่ออกจากกล่อง เพื่อหลีกเลี่ยงข้อผิดพลาดคุณต้องรู้ว่า RCD คืออะไร อุปกรณ์นี้ทำงานในลักษณะเดียวกับอุปกรณ์เฟสเดียว ความแตกต่างคือสายแรกมีสายไฟสองเส้นสำหรับขดลวดและสายที่สองมีสี่สายสิ่งที่แนบมาด้านล่างคือแผนภาพการเชื่อมต่อสามเฟส หลักการทำงานโดยละเอียดอธิบายไว้ในวิดีโอต่อไปนี้: เป็นที่ยอมรับไม่ได้ที่จะละเลยความปลอดภัยของตัวเองอย่ารู้สึกเสียใจกับตัวเองสงสารทรัพย์สินของคุณ ความปลอดภัยทางไฟฟ้ามีความสำคัญมากโดยเฉพาะอย่างยิ่งในยุคของเราที่เครื่องใช้ในครัวเรือนมีจำนวนมาก คุณต้องใส่ RCD โดยไม่ลังเลเพราะภัยคุกคามที่แฝงอยู่ภายในกำแพงของคุณสามารถโจมตีได้ทุกเมื่อ จะเลือกอะไร?
บันทึก! ค่าใช้จ่ายของอุปกรณ์ป้องกันนั้นต่ำกว่าการติดตั้งเบรกเกอร์ที่แตกต่างกันมาก แต่อย่างที่สองมีราคาถูกกว่า RCD + เครื่องอัตโนมัติ ทางเลือกเป็นของคุณ
คลาส ภาพ RCD RCD รูปภาพของ Difautomats ไดฟูโตแมต ราคา เศรษฐกิจ 
FH-202 AC-25 
พร้อม DIF-102 DEKraft 1500/700 ถู เฉลี่ย 
F-202 AC-16 
DSH-941R C6 RUB 2500/2700 พรีเมี่ยม 
F-202 AC-40 
DS-201 C25 4000/4800 ถู ตัวเลือกสำหรับการเชื่อมต่อ RCD กับเครือข่ายเฟสเดียวที่มีและไม่มีสายดิน
และถ้าไม่มีสายดิน?
การใช้ฟิลเตอร์ที่จับคู่กับ RCD
ข้อผิดพลาดทั่วไประหว่างกระบวนการเชื่อมต่อ
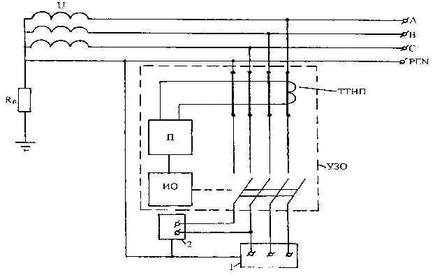
อุปกรณ์ป้องกันกระแสไฟรั่วสามเฟส
มาสรุปกัน
วิดีโอ: แผนภาพการเชื่อมต่อ RCD

































