Пластмасови пръстени за кладенци: обхват и характеристики
Ами в двора или в страната често става най-достъпният и функционален елемент, който ви позволява да установите автономно водоснабдяване. Бетонните пръстени постепенно се превръщат в минало и те се заменят с пластмасови пръстени за кладенци. Новият материал не оставя съмнение относно неговата здравина и надеждност. Той служи дълго време, не е податлив на корозия и е по-лек от бетонните конструкции. Често за ремонт се използват пластмасови пръстени кладенци... Нека да разберем кои материали трябва да се предпочитат, като се фокусираме върху техните видове и характеристики.
Съдържанието на статията
- 1 За какво са пластмасовите пръстени за кладенци?
- 2 Области на приложение на пластмасови пръстени за кладенци
- 3 Размери на пластмасови пръстени за кладенец: цени на материалите
- 4 Преглед на съставните елементи на пластмасов кладенец
- 5 Сравнение на масата на пластмасови и бетонни пръстени за кладенец
- 6 Цени на пластмасови пръстени за кладенец
- 7 Заключение
- 8 Видео: монтаж на пластмасови пръстени за кладенци
За какво са пластмасовите пръстени за кладенци?
Не толкова отдавна особено популярни бяха стоманобетонните пръстени с малка височина, което допринася за по-добра плътност на конструкцията. Но с течение на времето качеството на шевовете се влошава. Този проблем беше решен перфектно от пластмасови кладенци за вода. Те често се използват за подреждане на питейни извори. Полимерните пръстени са известни със своите превъзходни якостни свойства и са проектирани да издържат 50 години. В работилниците пръстените се изработват от полипропилен или полиетилен. Тези видове материали имат забележителна инертност и устойчивост на различни химични елементи. Високотехнологичният материал не губи свойствата си дори при скокове на температурата от -70 до +50 градуса. Следователно не можете да се страхувате, че вредните компоненти се отделят във водата.
Нека да разберем какви са предимствата на пластмасовите пръстени за кладенец:
- тегло. Този параметър е най-важният, тъй като ниското тегло не създава трудности при преместване и инсталиране на системата;
- размерът. Пластмасовият пръстен е 1500 мм. Могат да се поръчат и други размери;
- лекота на монтаж. Монтажът се извършва без участието на специално оборудване;
- херметичност на всички връзки. Всеки елемент е снабден с резбова връзка, която осигурява водонепропускливост, както и липсата на замърсяване;
- здравина на материала. Пластмасата е проектирана за налягане над 0,5 бара.
В кладенци, изработени от пластмасови пръстени, са предвидени допълнителни елементи, като преходи за люка, дъното и капака. Изработени са от полимерни композитни материали. Люковете могат да бъдат направени от пластмаса. Този материал е универсален и има добра устойчивост на агресивни вещества.
Полипропиленът е още по-траен. Използва се за различни ремонтни дейности, дори при трудни климатични условия. Най-устойчивият на износване материал е фибростъклото.
Области на приложение на пластмасови пръстени за кладенци
Фугите на бетонните части са запечатани със специална циментова смес, която с времето може да се напука. Поради солидността на продуктите, пръстените за пластмасов кладенец са лишени от този проблем. Високата плътност прави полимерните резервоари безопасни. Те се инсталират като готови конструкции или като допълнение към бетонни шахти. В последния случай те действат като запечатана вложка, която предотвратява изтичането на течност. Полимерните резервоари са търсени, когато трябва да свържете мрежата на канализационната система.
В такива конструкции се използват пластмасови елементи:
- за източници с питейна вода;
- за канализационни системи;
- за дренажни системи;
- за инсталации за дъждовна вода;
- за инсталиране на канализация в промишлени предприятия;
- за ремонт на вече работещи кладенци.
Сглобяемите системи могат да бъдат инсталирани на подходяща дълбочина. Не забравяйте да използвате решетка или празно покритие. Това ще предпази от проникване на чужди вещества вътре.
Забележка! Сглобяемите конструкции се сглобяват в едно цяло с помощта на резба. Това прави инсталацията много бърза. Преди свързване, резбите трябва да бъдат смазани със силиконов уплътнител. Секциите могат лесно да бъдат заменени, ако е необходимо.
Свързана статия:
Пластмасов дренажен кладенец. В този преглед ще разгледаме видовете, видовете, дизайнерските характеристики, как да направим бетонен кладенец със собствените си ръце, как да го почистим, преглед на производителите, средни цени.
Използване на пластмасов кладенец за питейна вода
Когато купувате селска къща или лятна вила, често има проблем с достъпа до питейна вода. Практично решение са пръстените с полимерни кладенци. Дизайнът на питейна вода предполага инсталирането на безшевна тръба.
Монтирането на пластмасови пръстени за кладенец за пиене се извършва след намиране на водоносния хоризонт. В някои случаи се използва методът на проучвателно сондиране или радиестезия. След това на правилното място ще се извърши изкопаване на ямата. Освен това диаметърът му трябва да бъде с 15-20 см по-голям от диаметъра на подготвената тръба. Изкопаването се извършва преди появата на вода. След това се монтира пластмасовата вложка. След инсталирането на пластмасовата конструкция пространството между нея и стените на ямата се запълва с пясък.
Преди да може водата да се използва, помпата трябва да се спусне, за да се изпомпва водата. Това се прави, докато водата стане бистра.
При създаването на този тип кладенци се използват следните материали:
- поливинил хлорид. Това е термопластичен полимер. Той не се запалва в открито пространство. Ако се изисква специална защита от явленията на околната среда, тогава се избира този материал;
- полиетилен. Материалът има висока плътност.Не се влияе от агресивна среда и не реагира със соли и основи;
- полипропилен. Произвежда се чрез полимеризация на пропилен с действието на катализатори. Този материал има по-високи параметри на топене от полиетилена.
Видеото показва как бързо да инсталирате кладенец:
Важно! За да се осигури плътност, се използва гумено уплътнение. Но този материал трябва да бъде с високо качество.
Характеристики на пластмасови кладенци за канализация
Пластмасовите конструкции са подходящи за инсталиране на канализационна система. Най-често те се използват за свързване на различни линии, както и за промяна на посоката на тръбата. При закупуване на полимерни кладенци за канализация за отводняване на технически отпадъци е необходимо да се вземе предвид, че материалът не трябва да се влияе от органични разтворители.
Разполага с устройство за резервоар за канализация. Това е цилиндричен контейнер, в дъното на който има специална тръбна тава.
Помислете за най-популярните варианти за дизайн:
- ревизия и тава са подходящи за разклоняване или обръщане на мрежи. Те са необходими за различни връзки, както и за лесна поддръжка. В центъра има тава елемент, който се изпълнява с лек наклон, който предпазва системата от натрупване на дренажи;
- седиментни кладенци монтирани в системи със свободен поток или на клонови площадки. Състои се от контейнер с разклонени тръби, като дъното е поставено доста под нивото. Те се използват за събиране на валежи;
- диференциални устройства подходящ за гравитационни системи. Те влияят върху скоростта на движение на отпадъчните води;
- проверка използва се за монтаж на различни заключващи и регулиращи съоръжения. Устройството приема напълно запечатан контейнер, а за мината е предвидено стълбище;
- ексцентрични опции необходими за проверка на тръби със значителен диаметър, за съхранение на вода или за инсталиране на различни помпи;
- кладенци за съхранение Представляват затворени контейнери за изпомпване на отпадни води.
За какво е пластмасов кладенец за кладенец?
Не толкова отдавна използването на пластмасово оборудване за кладенци се считаше за неприемливо поради крехкостта и ненадеждността на материала. Но възможностите на съвременните технологии правят възможно създаването на особено трайни конструкции от пластмасови кладенци. Пластмасовите елементи включват полипропилен, непластифициран PVC, полиетилен и фибростъкло. Комбинацията от тези материали осигурява на резервоара допълнителна здравина.
Има определени предимства при използването на пластмасови конструкции:
- лекота на ремонт;
- значителни оперативни периоди ;;
- отлични топлоизолационни характеристики;
- използването на пластмасови кладенци е по-достъпно финансово решение от използването на конструкции от други материали;
- висококачественият материал запазва всички необходими характеристики през целия експлоатационен живот;
- използвайки пластмасов кесон не е нужно да губите време за инсталиране на хидроизолация.
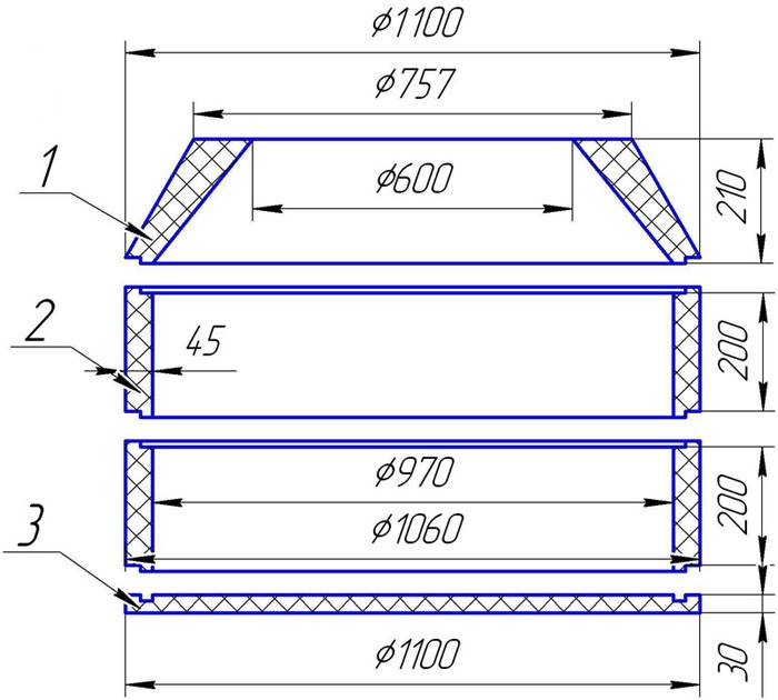
Размери на пластмасови пръстени за кладенец: цени на материалите
Цените зависят много от размера на пръстените на кладенеца. Цената на една секция се влияе от нейната дебелина и диаметър на стената. Например, пръстени от компанията Ekosis със следните размери: външен диаметър - 950 мм, вътрешен - 900 мм, височина - 1500 мм - струват 9 хиляди рубли. И с диаметри от 600 и 650 мм те имат цена от 8 хиляди рубли.
В Rodlex пръстените с височина 500 мм имат цена от 4,3 хиляди рубли, продукти с височина 1000 мм - 8,7 хиляди рубли и височина 3000 мм - 25,9 хиляди рубли. Разходите за други части на кладенеца трябва да бъдат допълнително уточнени.
Има стандартни размери на пръстени за кладенци. Параметрите на вътрешния диаметър варират в рамките на 60-90 см, а външният диаметър - 65-95 см. Височината обикновено е 150 см.Капакът се избира в съответствие с параметрите на кладенеца.
Изборът на диаметъра на пластмасовите пръстени за кладенци
Важен параметър е диаметърът на кладенечния пръстен. Това влияе върху капацитета на планираната структура.
| Типове диаметри | Параметри, мм |
|---|---|
| Вътрешен диаметър без дъно | 900, 800, 680, 600 |
| С дъното | 900, 800, 680, 600 |
| Външен диаметър без дъно | 950, 850, 730, 650 |
| С дъното | 950, 850, 730, 650 |
При избора на пластмасов кладенец 800 или с различен диаметър е необходимо да се вземат предвид параметрите на капака. Този елемент има вътрешен диаметър от 550-900 mm и външен диаметър от 600-950.
Размерите се избират при създаване на структурен проект. Параметрите пряко зависят от целта и условията на работа. Дебелината на стената не зависи от параметрите на секцията. Равно е - 25 мм.
Височина на пластмасови пръстени за кладенци
Стандартните размери на кладенците са 50-150 см. Освен това, колкото по-висока е височината на кладенеца, толкова повече ще тежи продуктът. Пръстените от полимер-пясък са направени с параметър за минимална височина. Това позволява монтажните работи да се извършват самостоятелно и без никакво оборудване. Пръстени с нестандартни параметри се произвеждат в специални производства. В този случай може да се поръча подходяща височина на пръстена на кладенеца.
Преглед на съставните елементи на пластмасов кладенец
Пластмасовият кладенец има опростен дизайн. Най-често това са три подробности:
- врата инсталиран на ниво със земята. Той осигурява достъп до вътрешния резервоар на кладенеца. Върху него е монтиран люк;
- моята представлява най-големият детайл. Той свързва основата на конструкцията и шахтата;
- тава използва се за инсталиране на тръби, както и за насочване на канали.
Вратът може да бъде конусен или цилиндричен. Първият вариант се използва, когато диаметърът на вала е много по-голям от стандартния диаметър на люка. Телескопичната шийка се използва за инсталиране на конструкции на големи дълбочини. Цилиндричният елемент се премества на желаната дълбочина и се настройва на нивото на земята.
Има два вида мина: твърди и сглобяеми. Първият дизайн е по-лесен за инсталиране и запечатване. Вторият може да бъде избран за различни дълбочини. При инсталиране на сглобяем модел отделните сегменти се монтират един към друг с помощта на уплътнения.
Долният елемент в кладенеца е полимерна тава или кинета. Тази част е избрана след проектиране на системата. Отгоре конструкцията е затворена с обикновен капак или люк. Изработени са от полимерен пясък, пластмаса или чугун. Ако няма врата, тогава люкът е прикрепен към шахтата.
Най-често се използва стандартен флип капак, а по поръчка за определена шийка се прави винтов капак. Съществуват и определени изисквания за капаците на кладенците. Те трябва да предпазват мината от проникване на отломки и чужди предмети. Капакът трябва да издържа на статични и ударни натоварвания. Диаметърът на такава част варира между 350-1200 мм, така че те могат да покрият кесон, кладенец и септична яма. Полимерите ги правят устойчиви на удар. За да изберете подходящо покритие, трябва да направите точни измервания на главата на кладенеца.
Как да изберем правилната пластмасова тръба за кладенец
Тръбите за кладенци са направени от поливинилхлорид, полипропилен, HDPE и PVC-U. Има следните видове пластмасови тръби голям диаметър за кладенец:
- с триъгълен профил с резби с различна дължина. Съединители с определени размери се използват за фиксиране на тръби. Конецът прилича на конус;
- трапецовиден профил с конусна резба;
- тръба с връзкис добра плътност.
Трябва да се има предвид, че плътността на HDPE тръбите е 0,95, а PVC-U тръбите са 1,4 g / cm³. Изчисленото напрежение е два пъти по-високо за PVC-U. Модулът на еластичност има стойност 3000, а за HDPE е 900.
Поради високата си граница на добив, PVC-U е по-подходящ за резбови връзки. Освен това тръбите от този материал се характеризират с отлични хидравлични свойства.
HDPE - експертите препоръчват използването на тръби за кладенци до три метра. А за кладенци, PVC-U материалът е по-подходящ.
Цените на тънкостенните полиетиленови пластмасови тръби за кладенци за питейна вода варират от 14 хиляди на линеен метър.
Пластмасови вложки в кладенеца
Някои детайли позволяват ремонт на отделни секции, без да се демонтират всички конструкции. За да направите това, трябва да изберете подходяща пластмасова вложка в кладенеца. Това ви позволява да не участвате в допълнително запечатване на фуги. Има специална технология за инсталиране на пластмасови облицовки в бетонни пръстени.
Вложките са съобразени с конкретни размери. Всички елементи трябва да пасват заедно. За да сглобите сгъваема конструкция, ще ви трябва и врат и покривало. Като се вземат предвид всички параметри, се избира и пластмасово дъно за кладенеца.
Сравнение на масата на пластмасови и бетонни пръстени за кладенец
Когато създавате проект за конструкция на кладенец, трябва да знаете колко тежи пръстенът за кладенеца. Трябва да се има предвид, че околната почва може да бъде с агресивна среда. Важен параметър, който трябва да се вземе предвид, е постоянното натоварване. Състои се от теглото на конструкцията, както и страничното и вертикалното налягане. Бетонните продукти са по-тежки от пластмасовите аналози. Например, полимерни пясъчни пръстени за кладенец с височина 25 см и диаметър 100, тежат 60 кг. В същото време, дори при инсталиране на сглобяем кладенец с полимерен пясък, дори два такива елемента ще тежат 120 кг, което е по-малко от бетонна част - 320 кг.
В таблицата можете да видите теглото на бетонния пръстен в зависимост от размерите.
| Диаметър, см | Височина, см | Тегло, т |
|---|---|---|
| 100 | 60 | 0,45 |
| 100 | 90 | 0,65 |
| 150 | 60 | 0,72 |
Цени на пластмасови пръстени за кладенец
Цената на една секция зависи от дебелината и диаметъра на продукта. За да закупите правилните пластмасови пръстени за кладенци, трябва не само да проучите асортимента, но и да изберете необходимите капаци, шийки, тройници и конуси. Тяхната цена трябва да бъде посочена отделно.
Таблицата показва размерите, цените на пластмасовите пръстени за кладенец:
Цените на пластмасовите кладенци варират в зависимост от производителя и индивидуалните характеристики.
Заключение
Пластмасовите пръстени са практично и удобно решение за всякакъв вид кладенци. Те стават все по-популярни поради лесния им монтаж и доставка. Това е функционална опция за даване и лични парцели. Дизайнът по никакъв начин не отстъпва на експлоатационните и технологичните характеристики на техните по-масивни аналози. Предимството на пластмасовите кладенци е, че те могат да се използват в региони с всякакъв климат, както и във всякаква почва.
Видео: монтаж на пластмасови пръстени за кладенци





































